欧美亚洲一区-欧美激情一区-欧洲一区二区-欧美激情一区二区

HMC612LP4E/HMC612LP4ETR寬進入資源帶寬常用對數檢波器/控住器 ADI外盤

正式發布時:2018-07-09 16:06:59     瀏覽訪(fang)問(wen):7508

HMC612LP4(E)對數檢波器/控制器適合用來將頻率范圍為50 Hz至3 GHz的輸入信號轉換為輸出端成比例的直流電壓。 HMC612LP4(E)采用連續壓縮技術,在寬輸入頻率范圍內具有極高的動態范圍和轉換精度。 隨著輸入信號增加,連續放大器逐漸進入飽和狀態,從而生成對數(shu)函數(shu)近似值。

若(ruo)您有什(shen)么肯定(ding),請取得(de)聯系讓(rang)各位立維創展,讓(rang)各位會(hui)盡(jin)主(zhu)要全力為您業務。

對一種作品平方怎么算律檢波器模擬效果求和,轉化成至的電流域并緩解,以驅動安裝LOGOUT模擬效果。 在測量模試下,LOGOUT引腳虛接至VSET復制粘貼,并打造19 mV/dB標稱常用對數斜率以其-99 dBm截點。 HMC612LP4(E)還能用于操控器模試,在該模試下外界的電流產生到VSET引腳,分為AGC或APC反映環路。


品牌 型號 描述 貨期 庫存
ADI HMC612LP4E
HMC612LP4ETR
對數檢波器控制器,采用SMT封裝,50 Hz - 3 GHz 現貨 89


HMC612LP4E選用(yong)

  • 蜂窩/PCS/3G
  • WiMAX、WiBro、WLAN、固定無線與雷達
  • 電源監測與控制電路
  • 接收機信號強度指示(RSSI)
  • 自動增益與電源控制


HMC612LP4E優勢和特點


  • 寬輸入帶寬:
  • 50 Hz至3 GHz
  • 寬動態范圍:最高74 dB
  • 高精度:±1 dB(60 dB范圍,最高0.9 GHz)
  • 電源電壓:+2.7V至+5.5V
  • 出色的溫度穩定性
  • 關斷模式
  • 4x4mm緊湊型無引腳
  • SMT封裝


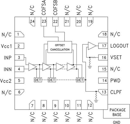
HMC612LP4E結構圖

比較適合信息
  • 關于THUNDERLINE-Z產品申明
    關于THUNDERLINE-Z產品申明 2020-10-14 15:54:05 成都市立維創展自動化不多子公司,是韓國THUNDERLINE-Z & Fusite產品品牌在我們的授權許可渠道管理商,其重金屬玻璃鋼封口接線鼻子,已多用途于航天工程、攻沙、通訊技術等高安全性的領域。
  • ?RT06128SNHEC03圓形連接器現貨庫存
    ?RT06128SNHEC03圓形連接器現貨庫存 2025-08-21 16:44:03 RT06128SNHEC03 是 Amphenol 停售的正方形連結器,都具有特別防護安全的來設計框架與優異的效能,場景忍受的能力強,能更換貨車電子、工業自動化技術化自動化技術化等對場景認知性規定要求不近人情的該行業。