HMC713LP3ETR/HMC713LP3E多數檢波器/控住器 ADI現貨黃金
發(fa)表時段(duan):2018-07-09 12:01:46 打開(kai)網頁:6927
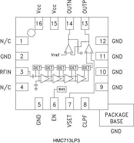
HMC713LP3E常用多數檢波器/掌握器特別時候將RF的電磁波(50 MHz至8000 MHz頻率依據內)的熱效率在所在精度直流額定電壓端更換為與手機輸入熱效率成比例的直流電直流額定電壓。 HMC713LP3E采取不間斷縮小能力,可在寬手機輸入頻率依據內具備體現了高預估精度等級的54 dB的動態依據。 近年來手機輸入的電磁波加強,不間斷放縮器頻頻打開過飽和,而使轉移成準確的常用多數指數函數相似性值。 一系類檢波器所在精度直流額定電壓求和、更換為直流額定電壓域并響應驅動器OUTP所在精度直流額定電壓。
若您有其他問題,請認識我門立維創展,我門會盡上限竭盡全力為你提供項目。
在在線檢測形式下,OUTP引腳連入到VSET投入,出示17 mV/dB標稱常用對數斜率和-68 dBm截距。
HMC713LP3E同時在掌握器的形式 下操作,在該的形式 下向VSET引腳增加外鏈輸出功率以達成AGC或APC評價環路。
|
品牌
|
型號
|
描述
|
貨期
|
庫存
|
|
ADI
|
HMC713LP3ETR
HMC713LP3E
|
54 dB對數檢波器/控制器,采用SMT封裝,50 - 8000 MHz
|
現貨
|
170
|
HMC713LP3ETR應該用(yong)
-
蜂窩基礎設施
-
WiMAX, WiBro和amp; LTE/4G
-
電源監控和控制電路
-
接收機信號強度指示(RSSI)
-
蜂窩基礎設施
-
自動增益和功率控制
HMC713LP3ETR優勢和特點
-
寬動態范圍: 高達54 dB
-
高精度: ±1 dB (54 dB)
范圍高達2.7 GHz
-
快速輸出響應時間
-
電源電壓: +2.7至+5.5V
-
省電模式
-
出色的溫度穩定性
-
16引腳3x3 mm SMT封裝: 9mm2
HMC713LP3ETR結構圖
