制造業快訊
分享用時(shi):2019-12-11 15:18:47 手機瀏覽:2813
HPD48D進行(xing)高壓(ya)大馬力定(ding)頻24v電源控(kong)制模塊就是一款PICO的HPD系列大功率DC-DC轉變成器,可作為200-380VDC的寬發送電壓降降,直接始終維持工作輸出固定,具備有全方位的過流自我保護降降、過高和不斷過壓自我保護效果。
HPD48D轉變(bian)器通過(guo)雙(shuang)消(xiao)毒所在,具(ju)備(bei)短路故障保證(zheng)、鍵入(ru)直流電壓保證(zheng)和溫溫度過(guo)高(gao)系統(tong)自動宕機(ji)、無需(xu)外設零件(jian)的(de)線(xian)路圖調(diao)整和(he)負荷調(diao)整、國外安裝的(de)密度高計算有吸收率設計的(de),兼備Pico茶葉品質和(he)部(bu)件挑(tiao)選,使它就能夠需求嚴(yan)查格(ge)的商業樓(lou)請求。

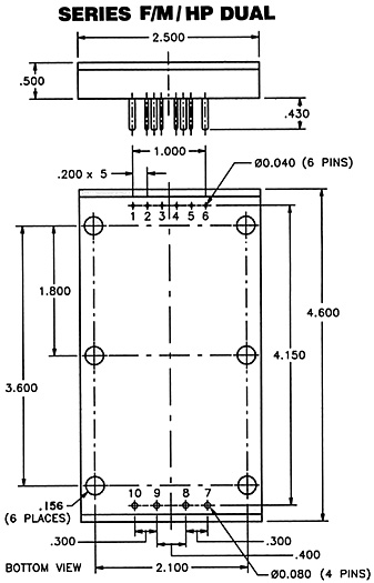
HPD48D常見(jian)屬性:
概率(lv): 100 Khtz
操作溫差:0℃ - +85℃
檢測水平: 25℃的環(huan)境
防曬隔離(li)霜(shuang)基(ji)點輸(shu)出: 2121 VDC
防護隔離基準(zhun)價輸入: 1000 VDC
隔離(li)防曬鍵入的輸出: 4242 VDC
存(cun)貯溫: -55℃至+105℃
HPD48D決定性因素:
寬(kuan)鍵入電流值200~380Vdc
高規格(ge)公率(lv)100W
輸出(chu)的交流電壓3.3~100V
定位的(de)頻率100KHz
PCB板載芯(xin)片封(feng)裝
雙短信通道防(fang)曬隔離霜保(bao)護性
山東市立(li)維創展(zhan)科技(ji)產業是PICO廠家(jia)加盟代理生(sheng)產商商,核心帶(dai)來PICO企(qi)業產品的交流(liu)(liu)開(kai)關(guan)電(dian)(dian)(dian)(dian)源(yuan)適(shi)配(pei)器(qi)(qi)(qi)(qi)(qi)開(kai)關(guan)電(dian)(dian)(dian)(dian)源(yuan)適(shi)配(pei)器(qi)(qi)(qi)(qi)(qi)控(kong)(kong)制(zhi)(zhi)器(qi)(qi)(qi)(qi)(qi)、軍(jun)品交流(liu)(liu)開(kai)關(guan)電(dian)(dian)(dian)(dian)源(yuan)適(shi)配(pei)器(qi)(qi)(qi)(qi)(qi)開(kai)關(guan)電(dian)(dian)(dian)(dian)源(yuan)適(shi)配(pei)器(qi)(qi)(qi)(qi)(qi)控(kong)(kong)制(zhi)(zhi)器(qi)(qi)(qi)(qi)(qi)、低壓(ya)交流(liu)(liu)開(kai)關(guan)電(dian)(dian)(dian)(dian)源(yuan)適(shi)配(pei)器(qi)(qi)(qi)(qi)(qi)開(kai)關(guan)電(dian)(dian)(dian)(dian)源(yuan)適(shi)配(pei)器(qi)(qi)(qi)(qi)(qi)控(kong)(kong)制(zhi)(zhi)器(qi)(qi)(qi)(qi)(qi)、微型(xing)(xing)箱式變壓(ya)器(qi)(qi)(qi)(qi)(qi)、MIL-PRF-21038/27標(biao)準的配(pei)電(dian)(dian)(dian)(dian)干式變壓(ya)器(qi)(qi)(qi)(qi)(qi)、電(dian)(dian)(dian)(dian)脈沖配(pei)電(dian)(dian)(dian)(dian)干式變壓(ya)器(qi)(qi)(qi)(qi)(qi)、400MHz電(dian)(dian)(dian)(dian)機功率電(dian)(dian)(dian)(dian)壓(ya)器(qi)(qi)(qi)(qi)(qi)、MIL-STD-1553標(biao)準接(jie)(jie)口電(dian)(dian)(dian)(dian)抗(kang)器(qi)(qi)(qi)(qi)(qi)、錄音(yin)電(dian)(dian)(dian)(dian)抗(kang)器(qi)(qi)(qi)(qi)(qi)、工(gong)作(zuo)公率電(dian)(dian)(dian)(dian)調節(jie)器(qi)(qi)(qi)(qi)(qi)、小型(xing)(xing)工(gong)作(zuo)公率電(dian)(dian)(dian)(dian)感(gan)、EMI電(dian)(dian)(dian)(dian)紅外(wai)感(gan)應器(qi)(qi)(qi)(qi)(qi)、薄型(xing)(xing)DC-DC電(dian)(dian)(dian)(dian)壓(ya)引擎、軍(jun)工(gong)用DC-DC開(kai)關(guan)電(dian)(dian)(dian)(dian)源(yuan)包塊(kuai)、磚型(xing)(xing)DC-DC交流(liu)(liu)電(dian)(dian)(dian)(dian)源(yuan)信息模(mo)塊(kuai)、直(zhi)(zhi)流(liu)(liu)高壓(ya)DC-DC電(dian)(dian)(dian)(dian)模(mo)塊(kuai)圖(tu)(tu)片(pian)(pian)(pian)、AC-DC主機電(dian)(dian)(dian)(dian)源(yuan)電(dian)(dian)(dian)(dian)源(yuan)模(mo)塊(kuai)、討論會-直(zhi)(zhi)流(liu)(liu)外(wai)接(jie)(jie)24v供(gong)電(dian)(dian)(dian)(dian)適(shi)配(pei)器(qi)(qi)(qi)(qi)(qi)外(wai)接(jie)(jie)24v供(gong)電(dian)(dian)(dian)(dian)適(shi)配(pei)器(qi)(qi)(qi)(qi)(qi)的功能(neng)(neng)控(kong)(kong)制(zhi)(zhi)的功能(neng)(neng)模(mo)塊(kuai)圖(tu)(tu)片(pian)(pian)(pian)、屏蔽(bi)外(wai)接(jie)(jie)24v供(gong)電(dian)(dian)(dian)(dian)適(shi)配(pei)器(qi)(qi)(qi)(qi)(qi)的功能(neng)(neng)控(kong)(kong)制(zhi)(zhi)的功能(neng)(neng)模(mo)塊(kuai)圖(tu)(tu)片(pian)(pian)(pian)、航空(kong)運輸外(wai)接(jie)(jie)24v供(gong)電(dian)(dian)(dian)(dian)適(shi)配(pei)器(qi)(qi)(qi)(qi)(qi)的功能(neng)(neng)控(kong)(kong)制(zhi)(zhi)的功能(neng)(neng)模(mo)塊(kuai)圖(tu)(tu)片(pian)(pian)(pian)等(deng)多個的功能(neng)(neng)外(wai)接(jie)(jie)24v供(gong)電(dian)(dian)(dian)(dian)適(shi)配(pei)器(qi)(qi)(qi)(qi)(qi)的功能(neng)(neng)控(kong)(kong)制(zhi)(zhi)的功能(neng)(neng)模(mo)塊(kuai)圖(tu)(tu)片(pian)(pian)(pian)及外(wai)接(jie)(jie)24v供(gong)電(dian)(dian)(dian)(dian)適(shi)配(pei)器(qi)(qi)(qi)(qi)(qi)轉化器(qi)(qi)(qi)(qi)(qi)。祝賀了解