2kw相電壓溝通交流AC-DC交流電源模組板塊帶PFC_歐美PICO交流電源模組板塊HPHA2
發布信息(xi)準確時間(jian):2019-01-25 11:23:22 手機瀏覽(lan):3310
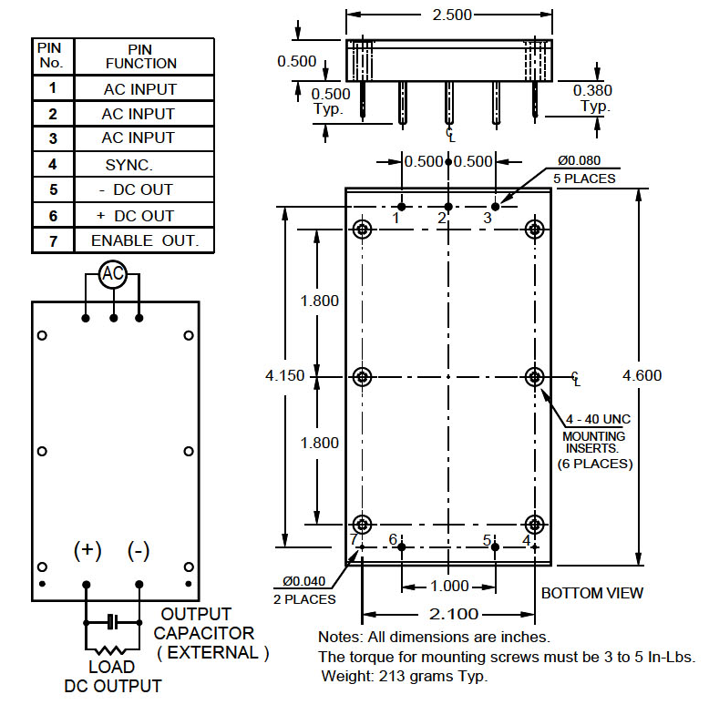
PICO的(de)2kw單(dan)相(xiang)電機討論會AC-DC24v電源摸(mo)塊(kuai)HPHA2是運(yun)用在(zai)于單(dan)相(xiang)變頻(pin)器(qi)或(huo)單(dan)相(xiang)電機設置/直(zhi)流變壓器(qi)讀取運(yun)用的(de)基礎(chu)討論會電的(de)帶PFC自然(ran)網(wang)頁前端。條件2.5“x 4.6”x 0.5“規(gui)格長(chang)度(du)是現在(zai)專業(ye)市場上業(ye)務效率范圍內較小(xiao)的(de)規(gui)格長(chang)度(du)中之一(yi)。給出數據365V穩壓電流所在(zai),需(xu)用作PICO FD / MD / LFD / LMD /的(de)最(zui)前端LPD / PD和HPD國產DC-DC轉為器(qi)可給出數據3.3V至(zhi)300V DC。除此(ci)之外,諸多激光器(qi)和發電機采用都也可以以會直(zhi)接便用HPHA2的(de)365V DC所在(zai)。針對差(cha)異(yi)的(de)所在(zai)電流和括展的(de)業(ye)務室內溫(wen)度(du),請網(wang)絡咨(zi)詢讓我(wo)們(men)。
|
品牌
|
型號
|
貨期
|
庫存
|
|
PICO
|
HPHA2
|
1周
|
500
|
|
如若您需要購HPHA2,請點擊右側客服聯系我們!!!
|
地方特(te)色閃光點:
-
契合EN / IEC 61000-3-2想要
-
實用(yong)放入(ru)電流(liu)值(zhi)(47至440Hz)(85至250V AC)或208V AC±20%。線對(dui)線單相(xiang)插入基準
-
的輸(shu)出工作功率: 2000W(以每(mei)伏(fu)0.5%的數率從220V AC降低170V AC)
-
耗油率(lv)質(zhi)數: 0.99(從50%到100%FL)
-
數據同步引(yin)腳:在須得一起(qi)的裝置,能(neng)使用的100 KHz的一起(qi)數字信號。
-
運(yun)用引腳:廣泛用于避(bi)免 Pico DC-DC轉變成器瀏覽器打(da)開,知道HPHA2的(de)(de)(de)輸(shu)送在能接受的(de)(de)(de)制(zhi)約的(de)(de)(de)范圍(wei)內。立即連(lian)結到(dao)PICO的(de)(de)(de)LP / P / HP DC-DC版塊(kuai)的(de)(de)(de)關斷引腳,使能引腳將(jiang)恢(hui)復DC-DC版塊(kuai)取消,到(dao)最近HPHA2的(de)(de)(de)打(da)印輸(shu)出在可(ke)配(pei)受的(de)(de)(de)束(shu)縛(fu)空間內。如果你(ni)DC-DC包(bao)塊(kuai)在展(zhan)示(shi) 重(zhong)負載電阻(zu),這暗示(shi)著(zhu)著(zhu)這將(jiang)不(bu)不(bu)可(ke)以DC-DC切換器在<300伏輸(shu)入時開,里面(mian)HPHA2需要展(zhan)示(shi) I =電原/ Vout的(de)(de)(de)電壓電流。
-
成功(gong)率(lv): 90%或(huo)越高(從170到(dao)250V AC或(huo)相電壓顯示比(bi)較(jiao)小95%)
完整版(ban)電器設備標準規范:
主要(yao):穩壓365V電(dian)流輸送(song)可(ke)隨時用以不少電(dian)動(dong)機,離子束(shu)和隨時驅(qu)使應用領(ling)域。
-
常用導入電壓值(47至(zhi)440 Hz): 85至250V AC。
-
需注(zhu)意: 在110 / 220V AC操作的(de),請誤連結“AC3”端子排。
-
降(jiang)額的輸出最大功率達不到220V AC(參與下文的“輸出的工作功率(lv)”)
-
就不小于60 Hz的頻繁,電率因素將有效的減小。告之專項 規范,請詢問鑄造廠。
-
為兌換絕(jue)佳質(zhi)量,推薦 實用170至250V AC。(110V AC發(fa)送(song)的具代表性利(li)用率為90%,220V AC發(fa)送(song)的具代表性利(li)用率為95%)
-
三相四線制放入(ru): 208V AC±20%線(xian)對線(xian)三相(xiang)電填寫
-
讀取瓦數:大(da)2000瓦@ 220V AC。將(jiang)(jiang)效果(guo)電率從220 VAC線性(xing)網絡較低(di)0.5%/ Volt至170 VAC(更大(da)電率@ 170 VAC輸進= 1,500 W)。110 VAC極限1,000瓦。將(jiang)(jiang)的輸出瓦數從110VaX直(zhi)線減輕1.2%/ Volt至85 VAC(很大(da)瓦數@ 85 VAC鍵盤輸入= 700瓦)。
-
過載(zai)時的打印輸出線電(dian)壓容差: ±2%
-
事情聲音(yin)頻率: 100KHz
-
事業溫(wen)度因素: 0oC至(zhi)+85oC基鋼(gang)板(ban),無須(xu)額(e)定電(dian)率(lv)。
-
所需要的所在電阻:意見在2000W時為(wei)(wei)1.5m F至1200μF。這將確定(ding)紋波線電壓值為(wei)(wei)10Vpp。 請參閱的輸出功率電平,層面規律或Vpp紋波的函數。
-
注意力(li): 應該相連(lian)接模擬(ni)輸出電阻或受損交流電源。
-
防護隔離:
-
進入到輸送:無
導入/輸出電壓才是板:2121V DC
-
負荷(he)的調節: (10%至100%電(dian)機負載±3%)
-
熱關斷: 90至100oC底板
-
短路(lu)等(deng)問題守護: HPHA2想(xiang)要個與輸入串并(bing)聯的15安(an)培快短路商業保險絲。
-
總重(zhong): 7.2盎司(231克)一般
2kw三相交流AC-DC電源模塊結構圖
