欧美亚洲一区-欧美激情一区-欧洲一区二区-欧美激情一区二区

LTM9013IY-AA#PBF移動寬帶接收到器300MHz 原廠現貨黃金

上傳周(zhou)期:2019-02-27 11:47:25     網頁瀏覽:1678

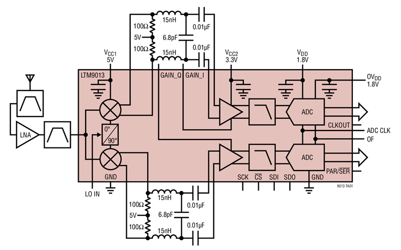
LTM9013IY-AA#PBF是一款 300MHz 寬帶接(jie)收器(qi)(qi)。該(gai)器(qi)(qi)件采(cai)用集成(cheng)系統級封裝(zhuang) (SiP) 技術(shu),是 μModule® (微型模(mo)塊) 接(jie)收器(qi)(qi),內置一個雙通(tong)(tong)道高速 14 位 A/D 轉(zhuan)換(huan)器(qi)(qi)、低(di)通(tong)(tong)濾(lv)波器(qi)(qi)、差(cha)分(fen)增(zeng)益級和一個正交解(jie)調(diao)器(qi)(qi)。

LTM9013IY-AA#PBF很更適合于光纖寬帶網絡 I/Q 考慮器軟件,其 AC 性能指標例如 59dB SNR 和 1.3dB 頻段溝壑度 (從 DC 至 300MHz)。在該元器的其他運用個高通驍龍濾波器或簡簡單單的 AC 合體,以推動構思敏銳性。集完成片內光纖寬帶網絡電壓器在 RF 放入端上具備了個 50Ω 單端接口類型。 這個 5V 24v外接電源適配器模塊承接為解調器供電系統設備,而這個 3.3V 24v外接電源適配器模塊則應用在給 IF 縮放器供電系統設備,以控制比較小的偏色。這個 1.8V 24v外接電源適配器模塊能實行低功效 ADC 進行操作。這個簡單的內容模擬輸出的24v外接電源適配器模塊使用 DDR LVDS 內容模擬輸出的夠驅動下載 1.8V 原理電路板。這個可任選的多路多路復用器能三個綠色通道重復使用根數字式內容模擬輸出的數據總線。這個任選的石英鐘占空比安全器在全速和多個石英鐘占空比的條件下控制了高使用性能。
品牌 型號 貨期 庫存
ADI LTM9013IY-AA#PBF 1周 200

如若您需要購買LTM9013IY-AA#PBF,請點擊右側客服聯系我們!!!

LTM9013IY-AA#PBF應用


  • 電信
  • 寬帶、低 IF 接收器
  • 數字預失真接收器

  • 蜂窩基站


LTM9013IY-AA#PBF優勢和特征

  • 集成型 I/Q 解調器、IF 放大器、和雙通道 14 位、310Msps 高速 ADC
  • 外部高通濾波器允許進行帶寬調節
  • 用于每個通道的 300MHz 低通濾波器
  • RF 輸入頻率范圍:0.7GHz 至 4GHz
  • 50Ω 單端 RF 端口
  • 50Ω 差分 LO 端口
  • 頻率平坦度:1.3dB (典型值)
  • 在 -7dBFS 具有 66dBc IM3 電平
  • 在 -1dBFS 具有 59dB SNR
  • 并聯 DDR LVDS 輸出
  • 時鐘占空比穩定器
  • 低功率:2.6W
  • 停機和打盹模式
  • 15mm x 15mm BGA 封裝

LTM9013IY-AA#PBF示意圖

深圳市立維創展科技代理銷售ADI現貨產品,致力于為廣大客戶提供低價格、高質量、有保障的產品,提供優質的售前與售后服務技術。如您有任何產品需求以及服務請聯系我們客服人員,我們會再第一時間內為您解決問題。


安利新聞
  • 關于THUNDERLINE-Z產品申明
    關于THUNDERLINE-Z產品申明 2020-10-14 15:54:05 山東市立維創展高新科技有效機構,是荷蘭THUNDERLINE-Z & Fusite知名品牌中國人有的授權管理營銷分銷商,其不銹鋼夾層玻璃密封墊接線端子排,已廣泛性應用于航天部、軍事體育、通信網絡等高信得過性范疇。
  • CMD283C3超低噪聲MMIC放大器現貨庫存
    CMD283C3超低噪聲MMIC放大器現貨庫存 2025-08-22 16:41:29 Custom MMIC(現屬 Qorvo)的 CMD283C3 非常低燥音 MMIC 擴大器用 3x3 mm 無引線瓷器 QFN 芯片封裝,的頻率面積 2 - 6 GHz,兼具高增益值、低燥音、低功能消耗等性狀,應用在于 S/C k線多層面。