互聯網行業新聞
發(fa)部時間(jian)段:2019-02-26 17:20:32 瀏(liu)覽訪問(wen):1781
| 品牌 | 型號 | 貨期 | 庫存 |
| ADI | HMC394LP4 | 1周 | 90 |
應用
優勢和特征
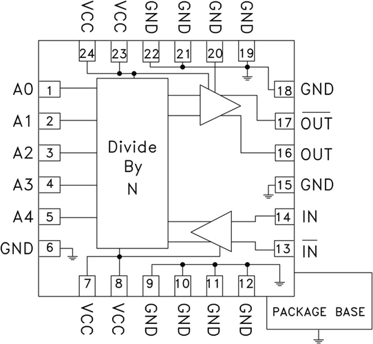
示意圖

深圳市立維創展科技代理銷售ADI現貨產品,致力于為廣大客戶提供低價格、高質量、有保障的產品,提供優質的售前與售后服務技術。如您有任何產品需求以及服務請聯系我們客服人員,我們會再第一時間內為您解決問題。