HMC468ALP3E聯通寬帶3位GaAs IC數字9衰減器 現貨平臺
推出的時間(jian):2019-02-26 14:04:23 觀看:1626
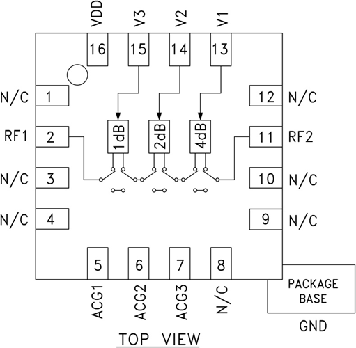
HMC468ALP3E一款帶寬3位GaAs IC數字8衰減器,所采用高效率價無引腳接觸面貼裝封口。 在DC到6.0 GHz幾率下上班,加入自然損耗高出1 dB典例示范值,高達以達到4 GHz。 衰減器位數值為1 (LSB)、2和4 dB,總衰減為7 dB。 衰減精密度比較高,典例示范步長不確定度為±0.4 dB,IIP3為+55 dBm。 四個有效控制電壓電流手機輸入在0和+5V互相切回,用以使用每種衰減感覺。 須得+5V的1個Vdd偏置。
|
品牌
|
型號
|
貨期
|
庫存
|
|
ADI
|
HMC468ALP3E
|
1周
|
120
|
如(ru)若您需要購(gou)買HMC468ALP3E,請點擊(ji)右側客服聯系我們!!!
操作
-
蜂窩;UMTS/3G基礎設施
-
固定無線和WLL
-
微波無線電和VSAT
優勢可言和有特點
-
1 dB LSB步進至7 dB
-
高IP3: +55 dBm
-
誤碼率:±0.25 dB(典型值)
-
每位單個控制線路
-
+5V單電源
-
3x3 mm SMT封裝
提示圖

深圳市立維創展科技代理銷售ADI現貨產品,致力于為廣大客戶提供低價格、高質量、有保障的產品,提供優質的售前與售后服務技術。如您有任何產品需求以及服務請聯系我們客服人員,我們會再第一時間內為您解決問題。