的行業動態新聞
更新日子:2019-02-25 11:12:58 挑選:2176
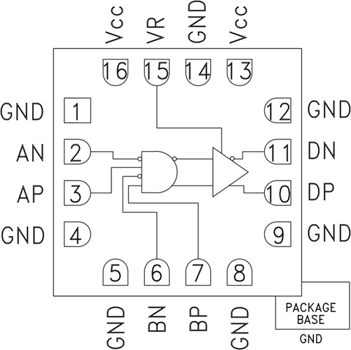
HMC746一(yi)種AND / NAND / OR / NOR基本(ben)功能,為了更(geng)好地大(da)力(li)支持更(geng)是超(chao)過(guo)13 Gbps的(de)(de)信(xin)息無線傳(chuan)輸(shu)傳(chuan)輸(shu)速率和更(geng)是超(chao)過(guo)13 GHz的(de)(de)數字(zi)時鐘頻次。HMC746能能很會地配值為出(chu)具一(yi)下一(yi)切(qie)邏(luo)輯性作用:AND,NAND,OR和NOR。HMC746還具備有的(de)(de)輸(shu)出(chu)電(dian)平(ping)(ping)把控好引腳(jiao)VR,可保(bao)持損失補嘗或數據電(dian)平(ping)(ping)優化(hua)系統。
HMC746的擁有導入和模擬輸出信號燈均以50歐姆至V cc片內(nei)端(duan)接(jie)(jie),行是(shi)討論會或直流電源耦合電路(lu)。錄入(ru)和打出(chu)會直接(jie)(jie)性拼接(jie)(jie)到50歐姆至V cc端(duan)接(jie)軟件(jian),而如果端(duan)接(jie)軟件(jian)接(jie)地線50歐姆,則就能夠(gou)便用(yong)隔直(zhi)電解電容。HMC746適用(yong)+ 3.3V單電原供電局,適用(yong)具備RoHS標準的的工業陶瓷3x3 mm SMT封裝形式。
倘若您需求選購HMC746LC3C,請彈窗一側qq客服關系我們都!!!
品牌
型號
貨期
庫存
ADI
HMC746LC3C
1周
90
軟件應用
優勢和特征
22/21 ps
打出端電壓擺幅:600 - 1100 mV
SMT封裝形式:9mm2
示意圖
