欧美亚洲一区-欧美激情一区-欧洲一区二区-欧美激情一区二区

HMC1082LP4E/HMC1082LP4ETR俄羅斯軍事電子設備戰控制增加器 外盤

發(fa)布(bu)公告時間段:2019-02-25 10:48:33     閱讀:1783

HMC1082LP4E是(shi)一個(ge)款GaAs pHEMT MMIC動力增加(jia)器,集(ji)成(cheng)就了(le)的(de)溫度賠償金(jin)片上效(xiao)率(lv)探測(ce)器,工作任務的(de)頻率(lv)標準為5.5至(zhi)18 GHz。該增加(jia)器在1 dB增加(jia)收益控(kong)制壓解下給出(chu)(chu)22 dB增加(jia)收益控(kong)制,+ 35 dBm打出(chu)(chu)IP3和+24 dBm打出(chu)(chu)工作效(xiao)率(lv),而+ 5V電(dian)源線則必須要220 mA。HMC1082LP4E能(neng)出(chu)(chu)示(shi)+26 dBm是(shi)處于飽和狀(zhuang)態導出(chu)(chu)功效(xiao)和26%PAE,并通(tong)過緊密型無引(yin)腳4x4 mm塑(su)表(biao)層貼裝二極管封裝。

HMC1082LP4E不是款抱負的(de)安裝(zhuang)驅動拖動器,可適合用(yong)于不同選用(yong),有5.5至18 GHz的(de)直連無線數字電和9 GHz的(de)船用(yong)統計(ji)。HMC1082LP4E還可以于6至18 GHz EW和ECM應運。

品牌 型號 貨期 庫存
ADI HMC1082LP4E 1周 200
假如您要有定購HMC1082LP4E,請鼠標點擊左測客服專員去聯系我門!!!

品牌 型號 貨期 庫存
ADI HMC1082LP4E
HMC1082LP4ETR
1周 150
如若您需要購買HMC1082LP4E/HMC1082LP4ETR,請點擊右側客服聯系我們!!!

運用

  • 點對點通信手機無線電
  • 點對多點兒無線網電
  • VSAT和通訊衛星通訊
  • 海底雷達天線
  • 軍事電子技術戰和ECM


優勢和特征

  • 高達到飽和狀態內容輸出馬力:26%PAE時26 dBm
  • 高輸入IP3:35 dBm
  • 高增益值:22 dB
  • 高P1dB輸出額定功率:24 dBm
  • 電流電原:220 mA時+ 5V
  • 家用suv轎車型24引腳4x4 mm SMT打包封裝:16 mm 2

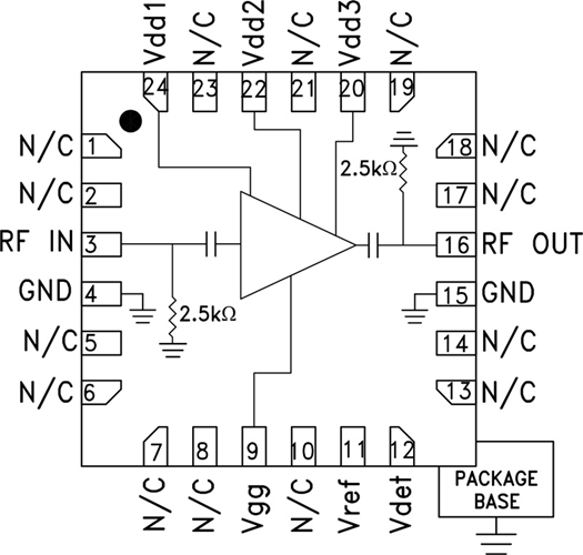
示意圖

建議快訊
  • 關于THUNDERLINE-Z產品申明
    關于THUNDERLINE-Z產品申明 2020-10-14 15:54:05 蘇州市立維創展科持有限責任我司,是新西蘭THUNDERLINE-Z & Fusite廠家在我國現代的軟件授權推廣方式商,其金屬制磨砂玻璃膠封端子排,已廣泛適用適用于核工業、軍事科學、電力等高準確性的領域。
  • CMD283C3超低噪聲MMIC放大器現貨庫存
    CMD283C3超低噪聲MMIC放大器現貨庫存 2025-08-22 16:41:29 Custom MMIC(現屬 Qorvo)的 CMD283C3 特低嗡嗡聲分貝 MMIC 變大器用到 3x3 mm 無引線瓷質 QFN 封裝形式,平率范圍圖 2 - 6 GHz,滿足高收獲、低嗡嗡聲分貝、低功耗測試等特征,實使用在 S/C 股票波段多科技領域。