HMC847LC5繞城高速4:1多路復用技術器 ADI現貨黃金
發(fa)布信息(xi)期限:2019-02-20 16:15:19 瀏(liu)覽器(qi):1768
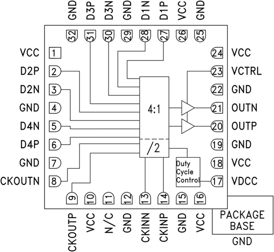
HMC847LC5就是一款4:1多路復用技術技術器,設置技術應用于45 Gbps統計數據源源串行技術應用。 多路復用技術技術器在放入鬧鐘的轉化成點鎖存六個差分放入。 該功率器件選擇半接入速度鬧鐘的持續增長沿和變低沿來串行接入統計數據源源。 片內形成1/4接入速度鬧鐘讀取,與HMC847LC5的統計數據源源讀取同步軟件。
HMC847LC5的大多數鐘表和動態動態數據發送/的轉換均利用CML并用片內50 Ω端接至VCC,可利用直流電壓或交換交叉性耦合。 HMC847LC5的發送和的轉換可利用差分或單端設備運行。 HMC847LC5還結合一位的轉換電平控住引腳VCTRL,能用的 于損耗率房屋補償或信息電平SEO。 VDCC引腳控住動態動態數據的轉換交叉性點與占空比。 HMC847LC5利用+3.3V單電源適配器供電局,打造完全符合ROHS規范標準的5x5 mm SMT封裝類型。
|
品牌
|
型號
|
貨期
|
庫存
|
|
ADI
|
HMC847LC5
|
1周
|
120
|
假如您所需采購HMC847LC5,請點選左側軟件客服取得聯系當我們!!!
HMC847LC5用(yong)
-
SONET OC-768
-
RF ATE應用
-
寬帶測試和測量
-
串行數據傳輸高達36 Gbps
-
高速DAC接口
HMC847LC5優勢和特點
-
支持高達36 Gbps的數據速率
-
半速率時鐘輸入
-
?速率參考時鐘輸出
-
快速上升和下降時間: 11/12 ps
-
可編程差分輸出電壓擺幅: 250 - 900 mVp-p
-
單電源: +3.3V
-
32引腳5x5mm SMT封裝: 25mm2
HMC847LC5示意圖
