HMC515LP5E/HMC515LP5ETR雙旋光性結晶管 ADI代理權現貨交易
發部時間:2019-01-23 09:49:37 閱讀:2075
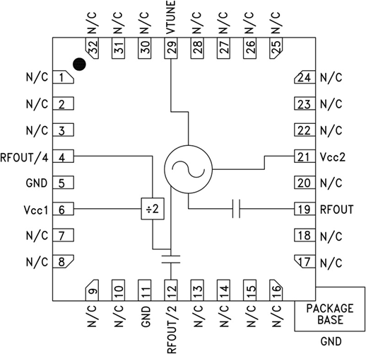
HMC515LP5E是一種款GaAs InGaP異質結雙化學性質晶狀體管(HBT) MMIC VCO。 HMC515LP5(E)集成諧振器、負阻值元器件封裝和變容整流二極管,可內容輸出精度的半頻,并提拱3分頻內容輸出精度的。 因此自激震蕩器的單集成ic結構的,VCO的相位噪音基本功能在環境溫度、的沖擊和技術必要條件下均非常的出眾的。 通過+5V供電電阻值時,內容輸出精度的平均功率為+10 dBm(先進典型值)。 要不須要,能關閉預分頻器基本功能以可以工作電流。 該電阻值操縱自激震蕩器通過無引腳QFN 5x5 mm表貼封裝,不能不異常篩選部件。
|
品牌
|
型號
|
貨期
|
|
ADI
|
HMC515LP5E
HMC515LP5ETR
|
1周
|
|
如若您需要購買HMC515LP5E/HMC515LP5ETR,請點擊右側客服聯系我們!!!
|
采用
-
VSAT無線電
-
點對點/多點無線電
-
測試設備和工業控制
優勢和特點
-
雙路輸出: Fo = 11.5 - 12.5 GHz
Fo/2 = 5.75 - 6.25 GHz
-
Pout: +10 dBm
-
相位噪聲: 典型值為-110 dBc/Hz(100 kHz)
-
無需外部諧振器
-
QFN無引腳SMT封裝,25 mm2
形式圖
