欧美亚洲一区-欧美激情一区-欧洲一区二区-欧美激情一区二区

MRF175LU單端電路設計400 MHz頻射電功率尖晶石管 MACOM現貨平臺

更新日期:2019-01-21 15:39:11     閱讀(du):1748

TMOS
MRF175LU來設計用(yong)(yong)到實(shi)用(yong)(yong)聲音頻(pin)率為400 MHz的(de)單端控制電路的(de)移動寬帶商(shang)業和(he)軍工應用(yong)(yong)領域。所有輸出功率器(qi)件(jian)的(de)高(gao)輸出功率,高(gao)增益值(zhi)和(he)寬帶網絡(luo)性能(neng)方面致使(shi)FM直播或影(ying)視頻(pin)道(dao)頻(pin)段的(de)固體發射成功器(qi)被選為會(hui)。
品牌 型號 貨期
MACOM MRF175LU 1周
如若您需要購買MRF175LU,請點擊右側客服聯系我們!!!


MRF175LU特征
  •  N緩沖區加強基本模式儀器
  •  保護能力:MRF175LU @ 28 V,400 MHz(“U”文件后綴),輸出電壓額定瓦數 - 100 W,額定瓦數收獲 - 10 dB(主要案例值),質量 - 55%(主要案例值)
  •  低Crss - 20 pF Typ @ VDS = 28 V.
  •  低散熱量
  •  100%Rruggedness在穩定輸出電功率下考試
MRF175LU應用
  •  航空航天航天與國防教育
  •  ISM
MRF175LU車(che)輛產品規格
  • 最低幾率:5 MHz
  • 最主要頻繁 :400 MHz
  • Pout:100 W
  • 收獲:10 dB
  • 轉化率:55%

個性化推薦新聞咨詢
  • 關于THUNDERLINE-Z產品申明
    關于THUNDERLINE-Z產品申明 2020-10-14 15:54:05 蘇州市立維創展科技集團非常有限集團,是瑞典THUNDERLINE-Z & Fusite名牌在我國的的商標授權平臺商,其鋁合金破璃填料密封接線端子,已多方面應運于航空工業、日本軍事、通迅等高靠得住性層面。
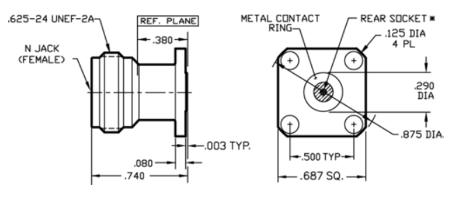
  • ?312-04SF N型母頭(Jack)4 孔法蘭連接器SOUTHWEST
    ?312-04SF N型母頭(Jack)4 孔法蘭連接器SOUTHWEST 2025-08-28 15:04:32 312-04SF 是 SOUTHWEST 華東紅外光的精密加工級 N 型母頭 4 孔卡箍接器,采中用 DC–18 GHz 網絡帶寬景象。它金屬外殼304不繡鋼燙金防銹,中央導體鈹銅燙金,支撐 0.085" 半剛/柔低壓電纜,全頻段 VSWR 低、插損小、馬力 200W、耐低溫空間廣,500 次插拔穩定性高,可選擇密封性芯片封裝且適用軍標及航天科技企業認證。