中文名字
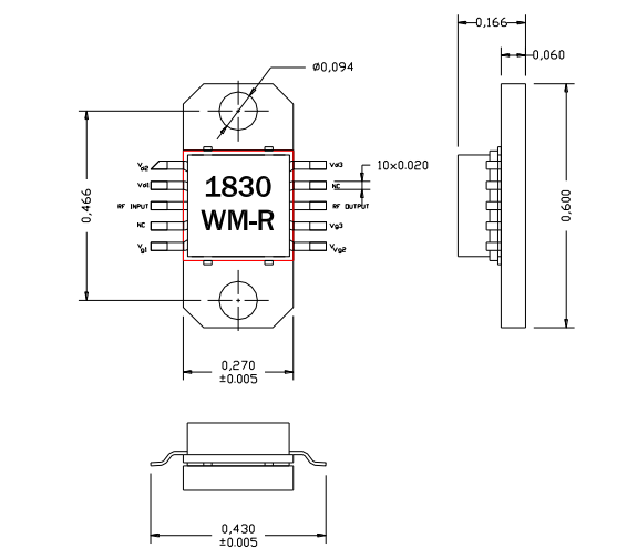
AM206041WN-SN-R ?L/S/C 波段寬帶功率放大器
頻率: 1.8-6.5GHz增益: 30dBP1dB: 38dBm飽和功率: 41dBm效率: 20%電壓: 28V
頻率: 1.8-6.5GHz
增益: 30dB
P1dB: 38dBm
飽和功率: 41dBm
效率: 20%
電壓: 28V
微波T/R組件模塊
頻率:2.3-2.5GHz ISM band功率: 5W (37dBm)TX High gain, 22dB RX gain = 16dB, NF = 1.5dB 電壓: +12V ~+16V
AM00010037WN-SN-R ?L/S/C/X波段寬帶功率放大器
頻率:DC-10GHz增益:13dBP1dB(DBM):30PSAT(DBM):37效率:23VD(V):28
頻率:DC-10GHz
增益:13dB
P1dB(DBM):30
PSAT(DBM):37
效率:23
VD(V):28
AM072239WM-SN-R ?L/S波段寬帶功率放大器
頻率:0.7-2.2GHz增益值:30P1dB(DBM):38PSAT(DBM):39效果:25VD(V):28
頻率:0.7-2.2GHz
增益值:30
P1dB(DBM):38
PSAT(DBM):39
效果:25
AM357037WM-SN-R? S/C波段寬帶功率放大器
頻率:3.5-7GHz增加收益:26P1dB(DBM):36PSAT(DBM):37高效率:24VD(V):8
頻率:3.5-7GHz
增加收益:26
P1dB(DBM):36
高效率:24
VD(V):8
AM357039WM-SN-R L/S/C波段寬帶功率放大器
頻率:1.8-6.5GHz增益值:21P1dB(DBM):37PSAT(DBM):38.5利用率:24VD(V):14
頻率:1.8-6.5GHz
增益值:21
P1dB(DBM):37
PSAT(DBM):38.5
利用率:24
VD(V):14
AM003536WM-EM-R L/S波段寬帶功率放大器
頻率:0.01-3.5GHz增益值:23P1dB(DBM):35PSAT(DBM):36效果:20VD(V):20
頻率:0.01-3.5GHz
增益值:23
P1dB(DBM):35
PSAT(DBM):36
效果:20
VD(V):20
AM002535MM-EM-R L/S波段寬帶功率放大器
頻率:0.03-2.5GHz增加收益:24P1dB(DBM):34PSAT(DBM):35速率:25VD(V):20
頻率:0.03-2.5GHz
增加收益:24
P1dB(DBM):34
PSAT(DBM):35
速率:25
AM009023WM-EM-R L/S/C/X波段寬帶功率放大器
頻率:0.05-9GHz增益值:21P1dB(DBM):21PSAT(DBM):23利用率:20VD(V):12
頻率:0.05-9GHz
P1dB(DBM):21
PSAT(DBM):23
利用率:20
VD(V):12
AM008030WM-EM-R L/S/C/X波段寬帶功率放大器
頻率:0.05-10GHz收獲:18P1dB(DBM):30PSAT(DBM):31轉化率:20VD(V):12
頻率:0.05-10GHz
收獲:18
P1dB(DBM):30
PSAT(DBM):31
轉化率:20
AM012020WM-EM-R L波段寬帶功率放大器
頻率:0.1-2GHz收獲:30P1dB(DBM):16PSAT(DBM):17速率:8VD(V):8
頻率:0.1-2GHz
收獲:30
P1dB(DBM):16
PSAT(DBM):17
速率:8
AM011037WM-EM-R L波段寬帶功率放大器
頻率:0.2-1.0GHz增益值:31P1dB(DBM):37PSAT(DBM):37.5熱效率:40VD(V):8
頻率:0.2-1.0GHz
增益值:31
PSAT(DBM):37.5
熱效率:40
AM103026MM-EM-R L/S波段寬帶功率放大器
頻率:0.9-3.2GHz增益值:22P1dB(DBM):25PSAT(DBM):26的效率:10VD(V):14
頻率:0.9-3.2GHz
增益值:22
P1dB(DBM):25
PSAT(DBM):26
的效率:10
AM132740MM-EM-R L/S波段寬帶功率放大器
頻率:1.3-2.7GHz增益控制:26P1dB(DBM):38PSAT(DBM):39率:30VD(V):14
頻率:1.3-2.7GHz
增益控制:26
率:30
AM142540MM-EM-R L波段寬帶功率放大器
頻率:1.4-1.8GHz收獲:25P1dB(DBM):39PSAT(DBM):40的效率:35VD(V):14
頻率:1.4-1.8GHz
收獲:25
P1dB(DBM):39
PSAT(DBM):40
的效率:35
AM153040WM-EM-R L/S波段寬帶功率放大器
頻率:1.4-3.4GHz增益控制:18P1dB(DBM):37PSAT(DBM):38錯誤率:30VD(V):12
頻率:1.4-3.4GHz
增益控制:18
PSAT(DBM):38
錯誤率:30
AM143440WM-EM-R L波段寬帶功率放大器
頻率:1.5-1.8GHz增益控制:20.5P1dB(DBM):38.5PSAT(DBM):39錯誤率:35VD(V):12
頻率:1.5-1.8GHz
增益控制:20.5
P1dB(DBM):38.5
錯誤率:35
AM143438WM-EM-R L/S波段寬帶功率放大器
頻率:1.5-1.8GHz增益值:20.5P1dB(DBM):37.5PSAT(DBM):38能力:30VD(V):12
增益值:20.5
P1dB(DBM):37.5
能力:30
AM153540WM-EM-R L/S波段寬帶功率放大器
頻率:1.5-3.5GHz增益控制:18P1dB(DBM):39PSAT(DBM):39.5使用率:35VD(V):14
頻率:1.5-3.5GHz
PSAT(DBM):39.5
使用率:35
AM183030WM-EM-R L/S波段寬帶功率放大器
頻率:1.6-3.3GHz增益值:30.5P1dB(DBM):30.5PSAT(DBM):31.5速度:20VD(V):8
頻率:1.6-3.3GHz
增益值:30.5
P1dB(DBM):30.5
PSAT(DBM):31.5
速度:20
AM183031WM-EM-R L/S波段寬帶功率放大器
頻率:1.6-3.3GHz增加收益:31.5P1dB(DBM):31.5PSAT(DBM):32.5生產率:25VD(V):8
增加收益:31.5
P1dB(DBM):31.5
PSAT(DBM):32.5
生產率:25
AM184635WM-EM-R L/S/C波段寬帶功率放大器
頻率:1.8-4.6GHz增益控制:30P1dB(DBM):35PSAT(DBM):37學習效率:25VD(V):7
頻率:1.8-4.6GHz
增益控制:30
學習效率:25
VD(V):7
AM204437WM-EM-R S/C波段寬帶功率放大器
頻率:2-4.4GHz收獲:30P1dB(DBM):36PSAT(DBM):37利用率:25VD(V):8
頻率:2-4.4GHz
利用率:25
AM244236WM-EM-R S/C波段寬帶功率放大器
頻率:2.4-4.2GHz增益值:31P1dB(DBM):36PSAT(DBM):36.5有效率:30VD(V):8
頻率:2.4-4.2GHz
PSAT(DBM):36.5
有效率:30
AM254038WM-EM-R S波段寬帶功率放大器
頻率:2.5-4GHz收獲:18P1dB(DBM):38PSAT(DBM):39質量:30VD(V):12
頻率:2.5-4GHz
質量:30
AM254540WM-EM-R S/C波段寬帶功率放大器
頻率:2.5-4.5GHz增益值:17P1dB(DBM):38PSAT(DBM):39錯誤率:35VD(V):12
頻率:2.5-4.5GHz
增益值:17
AM264240WM-EM-R S/C波段寬帶功率放大器
頻率:2.6-4.2GHz增加收益:20P1dB(DBM):39PSAT(DBM):40利用率:35VD(V):14
頻率:2.6-4.2GHz
增加收益:20
利用率:35
AM304031WM-EM-R S/C波段寬帶功率放大器
頻率:2.6-4.6GHz收獲:31P1dB(DBM):32PSAT(DBM):32.5質量:25VD(V):8
頻率:2.6-4.6GHz
收獲:31
P1dB(DBM):32
質量:25
AM284233MM-EM-R S/C波段寬帶功率放大器
頻率:2.8-4.2GHz增益控制:34P1dB(DBM):33PSAT(DBM):34有效率:25VD(V):8
頻率:2.8-4.2GHz
增益控制:34
P1dB(DBM):33
PSAT(DBM):34
有效率:25
AM324036WM-EM-R S/C波段寬帶功率放大器
頻率:3-4.2GHz增益控制:29P1dB(DBM):36PSAT(DBM):36.5利用率:25VD(V):8
頻率:3-4.2GHz
增益控制:29
共3頁80條數據