欧美亚洲一区-欧美激情一区-欧洲一区二区-欧美激情一区二区

UMS微波 UMS微波通信
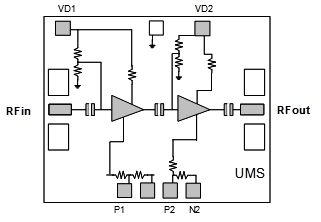
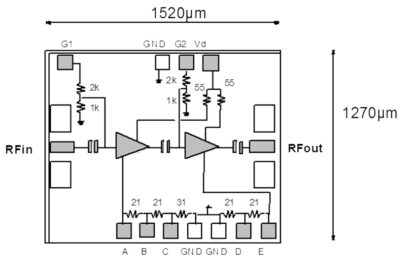
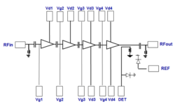
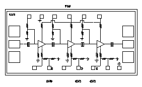
UMS(United Monolithic Semiconductors)看做歐系豪米波電源存儲芯片指代品脾,產生軍事基地分布范圍于瑞典和使用了法國的,UMS在中國中檔科技水平應用賣場就會占據切不可帶替的影響。UMS打造對于ASIC或目次食品的局面價格多少,主要的對于品牌里面的III-V科技水平,并打造局面的承包合同服務保障,使加盟商并能就直接創建你的食品完成設計方案。UMS從DC到100 GHz的所以目次食品均是對于GaAs、GaN、SiGe科技水平,包含可高達200 W的最大功率擴大器、混后數據功能性、非常低嘈音擴大器和系統化的收取和發送器系統化。UMS食品以管芯的狀態打造,但通常情況下以多電源存儲芯片電源模塊的狀態裝封。鄭州市立維創展新材料技術是UMS的代銷商商,針對性那部分廠品型號的UMS廠品具備質量上乘的現貨交易廠品銷量,歡迎會咨詢中心。