行業內資迅
發部(bu)時段:2018-06-21 15:09:53 瀏覽記(ji)錄:2544
品牌
型號
描述
貨期
庫存
ADI
HMC637A
GaAs MMIC 1 W功率放大器,DC - 6 GHz
現貨
32
HMC637A軟件應用
HMC637A優勢和特點
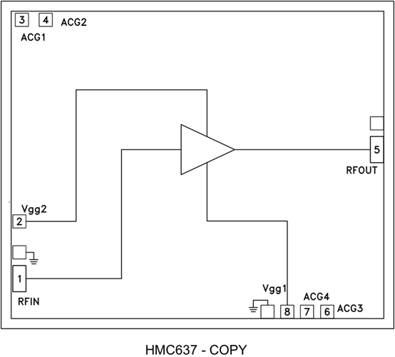
HMC637A結構圖
