Ka股票波段帶動圖像放大儀HMC-AUH256/HMC-AUH256-SX ADI現貨交易代
發布公告時間段:2018-12-03 11:18:50 搜索:2134
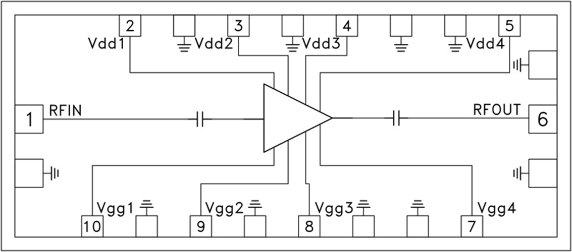
HMC-AUH256不是款Ka波長GaAs MMIC HEMT英語四級驅動器調大器,做運轉頻點標準17.5至41 GHz。 主要是因為的尺寸較小(1.93 mm2),該處理存儲芯片可快速集合到多處理存儲芯片信息模塊(MCM)中。 HMC-AUH256在1 dB解壓縮點打造21 dB的增益控制和+20 dBm的運轉輸出電功率,便用+5V的偏置電源開關(295 mA)。 HMC-AUH256還需用作倍頻器。 完成倍頻器做運轉的詳細說明偏置前提。
|
品牌
|
型號
|
貨期
|
庫存
|
|
ADI
|
HMC-AUH256
HMC-AUH256-SX
|
1周
|
200
|
|
如若您需要購買HMC-AUH256/HMC-AUH256-SX,請點擊右側客服聯系我們!!!
|
應(ying)用軟件
優勢和特點
-
增益: 21 dB
-
P1dB輸出功率: +20 dBm
-
寬帶性能:
17.5至41 GHz
-
電源電壓:
+5V (295 mA)
-
小尺寸芯片:
2.1 x 0.92 x 0.1 mm
機構圖
