HMC7885FH18單處理芯片徽波融合線路(MMIC)輸出功率縮放器(PA)模塊圖片 ADI現貨黃金代銷商商
發(fa)表時刻:2018-06-19 16:42:54 搜索:2501
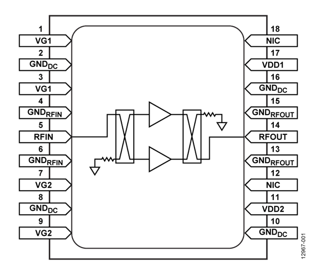
HMC7885FH18是一個款32 W氮化鎵(GaN)、單處理器微波加熱方案化線路(MMIC)熱效率擴大器(PA)方案,業務頻次比率為2 GHz至6 GHz,提高數據18引腳密封墊方案封裝。該擴大器一般性提高數據21 dB小數據信號增加收益和45 dBm飽和狀態頻射(RF)鍵入打出熱效率。該擴大器應用28 V整流電源模塊的外部功能損耗(IDD)為2200 mA。隔直RF鍵入和鍵入打出一致至50 ?,實用簡單。
|
品牌
|
型號
|
描述
|
貨期
|
庫存
|
|
ADI
|
HMC7885FH18
|
2 GHz至6 GHz,45 dBm功率放大器
|
現貨
|
78
|
HMC7885FH18應用(yong)
-
測試與測量設備
-
通信
-
電子戰(EW)
-
軍事
-
行波管(TWT)替換產品
-
SATCOM
HMC7885FH18優勢和特點
-
2 GHz至6 GHz
-
小信號增益:21 dB(典型值)
-
飽和RF輸出功率:45 dBm(典型值,POUT)
-
18引腳、密封模塊
-
工作溫度范圍為-30°C至+60°C
HMC7885FH18結構圖
