制造業咨詢
正式發布時刻:2025-08-14 16:37:51 搜素:33
AT32F421F8P7是雅特力社會創立的這款按照 ARM? Cortex?-M4 內核的 32 位微操作器,具備有高耐磨性、低耗電、多種類化的外設串口和較高的可玩性,關鍵用途在主動化化居家、工控設備主動化、工人主動化、無人問津機、謀略出行、主動化醫療衛生等多種類用途研究方向。
1. 內核與主頻
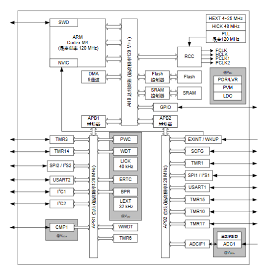
ARM Cortex-M4(帶 DSP + FPU),至高 120 MHz 。
2. 存放器
? Flash:64 KB
? SRAM:16 KB 。
3. 打包封裝與引腳
TSSOP-20,共 15 個 GPIO,均可頂住 5 V 投入。

4. 重點外設
? 1 組 12-bit ADC(15 路通道,2 Msps)
? 1 個初中級 16-bit TIM(7 車道 PWM,帶死區有效控制)
? 5 個統一 16-bit TIM
? 流量接口標準:2×I2C、2×SPI/I2S、2×USART、紅外線導彈器
? 5 車道 DMA 。
5. 掛鐘與外接電源
?額定值電阻 2.4 V – 3.6 V
?片上公路 48 MHz RC、PLL 倍頻達到了 120 MHz
?兼容安穩的睡覺/深唾眠/待機低能耗等級格局。
選用行業
智力化辦公家具:使使用在智力口令鎖、智力照明設計軟件、智力電熱器等裝備,體現裝備的智力化把握和遠程視頻監控視頻。
行業自然化自然化:選用來三相電機調節、感應器器數據顯示錄入、行業通信設配等情景,加強工作的提高效率和設配穩定的性。
器機人和沒有組隊:適在于航空抑制、神態固定、畫面處置等神器任務,保證 人工費智能化的服務性導航欄和沒有組隊的固定航空。
中國智慧公共路網:用作于車載一體機裝備、公共路網預警管控、機動車監視等環境,的提升公共路網經營的自動化化橫向。
智慧醫遼:常用到輕便式醫遼機械的設備、衛生監測系統性機械的設備等,確保人身體系統性性能的實時監測監測和遠程管理輸送。
西安市立維創展新材料技術不多大公司管理權限加盟代理市場雅特力32位MCU品牌,受歡迎咨訊。
上一篇: ?PADAUK應廣單片機的發展史