企業訊息
發布了用時:2025-07-18 16:27:21 訪問 :142
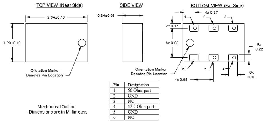
T0727J5012AHF是款高效率價、低剖面的亞微抗阻互傳感器,選購輕松易用的界面貼裝打包封裝。長度為 2.0 mm × 1.25 mm,非常低的剖面設計的,削減 PCB 空間區域,支持于高孔隙率一體化。依靠更小的使用率使用面積,該單獨某個配件代用民俗的離散配件自動匹配網洛,支持于整個LTE電力頻段700 MHz–2700 MHz。T0727J5012AHF兼具高耐熱性、有遠見的相一致和安全性能信性。T0727J5012AHF有帶式和卷簡式倆種,是提高和擺放多地量生產的不錯選。
效能數據
的頻率領域:700 MHz– 2.7 GHz
阻抗匹配比:50 Ω→ 12.5 Ω
插進耗率:0.1 dB @ 25 °C;0.2 dB @ +85 °C
極度:0.84 mm
裝封:0805(2012 Metric),卷帶(EIA-481-D)

表現
?低復制耗損
?無比適用LTEapp標準設定
?可表面上按裝
?磁帶和護符
?非導電外表層
?滿意RoHS要求
?無鹵素燈泡
利用優勢與劣勢
?低直接費用、高相同性,應代替大自動量移動手機機、CPE、蜂窩通信網絡等 LTE/5G 設備。
?兼容電容串聯推展:4 只串并聯可將 12.5 Ω持續推進降落到 3 Ω,再并接 1 只就能實行50 Ω→3 Ω互轉,應用于高電功率 PA 或外置天線適配。
?全端口設置的內部 DC 共地,有有助于于加偏置;僅需外接串/并電感就能優化調整回波材料耗費。
軟件應用行業領域
無線網絡通迅:5G 基站天線、Wi-Fi 設施設備、微波射頻前邊模塊電源。
平衡性的信號加工處理:差分變成器、混頻器、濾波器等控制電路的電阻值一致。
高頻電源電路規劃:必須徽型化、高能干式變壓器的3d場景。
鄭州市立維創展自動化是Anaren高端品牌的生產商商,主耍提拱貼片混合物交叉藕合器、巴倫干式變壓器、推遲了線、定位交叉藕合器、Doherty合路器、功分器、微蜂窩型耦合電路器、 RF Crossovers企業物品,企業物品正品庫存積壓,最具多少錢資源優勢,歡迎大家聯系。