領域知識
公布的精力:2025-07-18 16:22:13 觀看:75
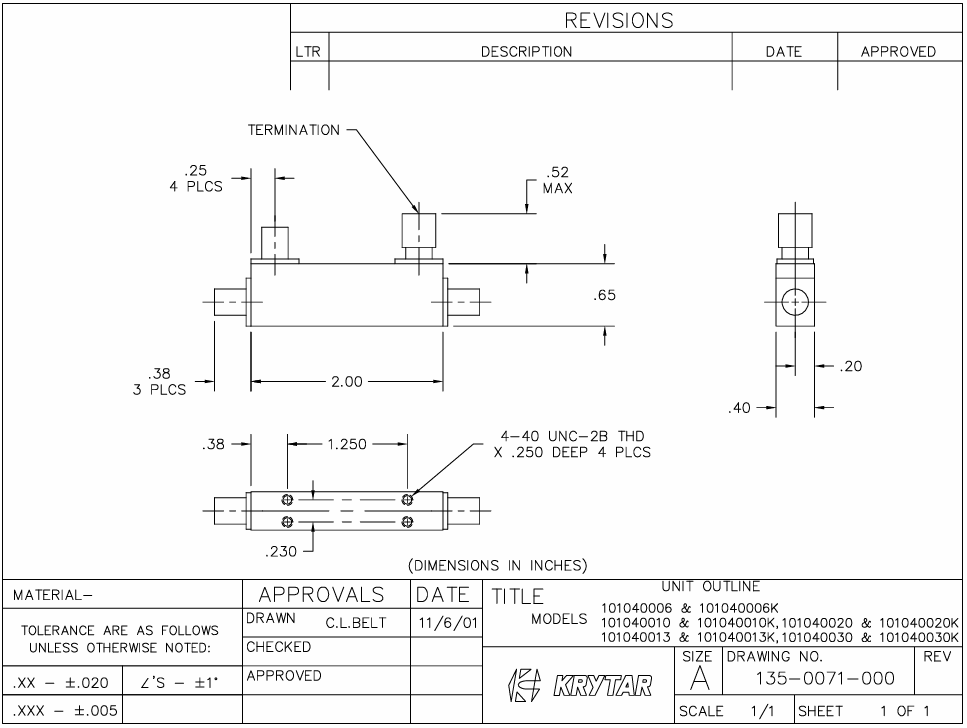
KRYTAR的101040020/101040020K耦(ou)(ou)合電路(lu)器增(zeng)加(jia)(jia)了多實用功能帶(dai)狀線設計構(gou)思(si)的確(que)定,這樣設計構(gou)思(si)在(zai) 1.0 至 40.0 GHz 的加(jia)(jia)寬(kuan)帶(dai)頻段(duan)范圍之內內能夠出(chu)非常好(hao)的的解耦(ou)(ou)性能方面,使用過于(yu)同質化、緊(jin)奏(zou)型suv型和(he)一(yi)體式的打包封裝的方式。
除此以外,101040020/101040020K還打造(zao)(zao)優秀(xiu)的(de)(de)耐熱性游戲等級(ji),比如 20 dB 的(de)(de)標稱合(he)體(對於輸(shu)入輸(shu)出(chu)(chu))、±1.0 dB 和(he)±1.2 dB 的(de)(de)聲(sheng)音(yin)頻率(lv)準確度(du)性。定(ding)位(wei)交叉解耦器(qi)的(de)(de)嵌入損耗費(其(qi)中包(bao)括交叉解耦效率(lv))壓低(di) 0.85 dB (1-20 GHz)和(he)少于 1.5 dB (20-40 GHz),方向(xiang)上性大于 14 dB (1-20 GHz)和(he)超出(chu)(chu) 10 dB (20-40 GHz),極(ji)限 VSWR(指定(ding)串口)為(wei) 1.5 (1-20 GHz)和(he) 1.7 (20-40 GHz),額定(ding)值復制粘貼(tie)最(zui)大功率(lv)為(wei)平均 20 W,極(ji)高數值為(wei) 3 kW。定(ding)項耦合(he)電路(lu)器(qi)標淮(huai)配置(zhi)制造(zao)(zao)行業標淮(huai)的(de)(de) 2.4 mm 母頭銜接器(qi)。緊湊(cou)型的(de)(de)封裝類型要求僅有 2.0 4英(ying)寸(L) x 0.40 4英(ying)寸(W) x 0.65 4英(ying)寸(H),總重(zhong)僅有 1.3 oz。的(de)(de)操作室溫(wen)為(wei) -54°至 +85° C。

樣式產品參數
至少的頻率(GHz):1
極(ji)高頻(pin)段(GHz):40
標稱合體:20 ±1.0
頻帶寬度快速性(dB):±1.20
插入(ru)圖衰減(dB max):
1-20 GHz,0.85;
20-40 GHz,1.50;
目標性(dB min):
1-20 GHz,14;
20-40 GHz,10;
VSWR(最多值(zhi)):
1-20 GHz,1.5;
20-40 GHz,1.70;
固定(ding)額定(ding)功率(瓦(wa)特):20
101040020細則無線電源連接器(qi)(母頭(tou)):2.4 mm
101040020K標(biao)準的接入器(母頭):2.92 mm
主要操作
網上戰、5G/通(tong)訊(xun)(xun)技術(shu)衛星通(tong)訊(xun)(xun)技術(shu)、統(tong)計表現監測系(xi)統(tong)
大(da)電(dian)機(ji)電(dian)率(lv)縮放器線(xian)(xian)上(shang)電(dian)機(ji)電(dian)率(lv)監測、全向天線(xian)(xian)條件反射指數公式在(zai)線(xian)(xian)測量
發(fa)展(zhan)空間異(yi)常的機(ji)載/星載公司(寬敞 0805 級尺(chi)寸大小)
佛山市立維創展技術認證代里KRYTAR物品(pin),位置應用(yong)常備現貨交易。物品(pin)原裝入口(kou)進(jin)口(kou)量(liang),質理衡量(liang),誠(cheng)邀咨詢了(le)解。