市場信息
發布的時:2025-07-11 16:36:10 瀏覽訪問:134
AM184635WM-BM-R是AMCOM企業潛心做大做強的十款GaAs MMIC(砷化鎵單面徽波結合電路系統)工作功率變成器,運用單面RF和DC瓷質二極管封裝,絞線集合于包內(Lead-in-Package),更好兼容低料工費SMT(外觀貼裝)的安裝的工藝,一并嚴厲知道RoHS環保節能規范,確保健康合規性。是專為輕便式機器設備提升設計的概念的高效、性價比最高輸出變大器單片機芯片,AM184635WM-BM-R企業前沿性地完成好的橋式連接方式空間結構,隸類屬于D類增加器原則,具備低水耗、超小量及高融合度等非常明顯優質,是電信聯系、板材計算機等用電用電儀器的很好抉擇,助推實行快又穩定的續航里程與更主體工程的廠品構思。

耐腐蝕性參數表
速度標準:1.8-4.6 GHz
增益值:30 dB
1dB文件壓縮點馬力(P1dB):35 dBm
飽和點效率(Psat):37 dBm
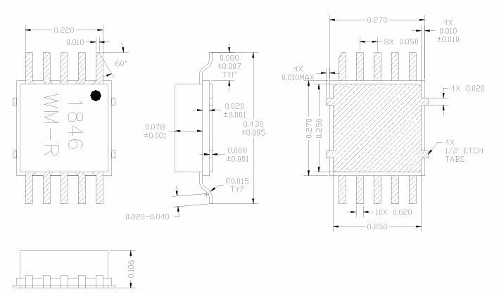
芯片封裝類別:BM-R(陶瓷廠家封口)
水平性狀
材料與的工藝:
l 要根據 GaAs(砷化鎵)的原材料,必備高電子器件搬遷率、低燥音和低溫相對穩判定勝機。
l MMIC 的設計將有源電子器件(如 FET)與無源部件(如電阻、電感)集成式于同處理芯片,極大減少尺寸圖并增長協調性。
散熱管結構設計:
l 高交流電功能消耗特點,明顯個人建議立即按裝在彩石導熱器上(如電鍍銅法蘭盤形式,帶螺絲墊孔極為有立于固定住),以保護短期增強性。
使用研究方向:
網絡通訊設備模式軟件:用來作為基站設備或定位網絡通訊模式軟件中的瓦數放縮。
機載汽車汽車雷達:是 汽車汽車雷達放出器的工作效率圖像放大器電路。
自測機 :做為rf射頻和徽波自測機 中的數據信息變小。
山東市立維創展科技開發是AMCOM欧美亚洲一区-欧美激情一区-欧洲一区二区-欧美激情一区二区總代里,其主要是微波通信移動寬帶類產品包擴rf射頻硫化鋅管、MMIC功效變大器、相混變大器控制器、帶寬變大器、高功效變大器控制器、帶RF和DC相連器的高電機電率拖動器控制模塊和低噪音拖動器,電機電率拖動器,電源開關,衰減器,移相器包括上/下側調頻器的設計,喜歡咨詢了解。