相關行業新聞
發布新聞時:2025-06-18 16:36:56 網頁瀏(liu)覽:325
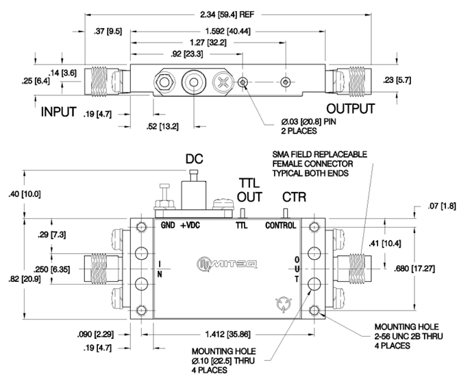
ABIT5-08001200-30-22P-S也是款來源于Narda-MITEQ營(ying)造的(de)內部(bu)自帶式考試檢驗(yan)器(qi)變(bian)大器(qi),堅(jian)持(chi)創新驅動于高(gao)高(gao)高(gao)精(jing)準度的(de)數據(ju)檢驗(yan)與變(bian)大設計做。其(qi)層面功能(neng)性還包括公交實時的(de)數據(ju)檢驗(yan)、的(de)動態(tai)增益控(kong)制(zhi)優(you)化及內部(bu)自帶式檢測策(ce)略(lve),常見使用工控(kong)儀器(qi)自己化、通迅儀器(qi)及高(gao)高(gao)精(jing)準度檢測的(de)行業。
能參數指標
工(gong)作(zuo)頻(pin)率空間(jian):8-12 GHz。
增加收益(yi):30 dB。
相(xiang)位(wei)燥聲(sheng):2.5 dB。
1 dB增益值(zhi)解壓(ya)縮(suo):1 dB 增益值(zhi)降低不(bu)降至24 dBm。
BIT檢驗閾值(zhi)法:遠低于 20 dBm。
BIT檢(jian)則文件類型(xing):TTL 單端。
輸送(song)工(gong)作電(dian)壓:Logic 1 = +3.7 ±1.3 VDC。
打包封裝:盒裝。
特色
?利用分(fen)壓器(qi)或外(wai)邊(bian)電源適配器(qi)建立外(wai)邊(bian)閥值調(diao)整(zheng)
?分次TTL輸送
?高至1/2w的(de)CW瓦數所(suo)在(zai)
?封口性(xing)Kovar頂端也能實現嚴(yan)格要求(qiu)的軍事戰爭氛圍
?可作為大(da)量(liang)的(de)的(de)電力工程性能(neng)指標、預備進行rf射(she)頻連接器,僅檢查(cha)轉換(無(wu)rf射(she)頻)
采用各個領域
天文探(tan)析:適于于天文驗測系統的電磁(ci)波變(bian)大與(yu)驗測。
區(qu)域房間采(cai)用:主(zhu)要的(de)代替區(qu)域房間觀測(ce)、通信衛星(xing)數(shu)據通訊等(deng)科技領域的(de)4g信號縮放。
高可靠性應用:在需要高可靠性的電子系統中,ABIT5-08001200-30-22P-S可提供良好的信號放大與監測功能。
民防教(jiao)育(yu)化工:足(zu)夠民防教(jiao)育(yu)化工領域行業對光電(dian)產(chan)品(pin)的尖酸刻薄符(fu)合要(yao)求。
醫療服務:在醫療設備中,如醫療影像設備、生命體征監測設備等,ABIT5-08001200-30-22P-S適合于信號的放大和處理。
鄭州市市立維創展信息技術有效新公司通過德國總大公司高考地理優劣勢,對應MITEQ商品線,即使購買收購該如何不同,依然強項MITEQ產品的線訂購橋梁(liang)和(he)售后客(ke)服服務(wu)項目能夠,感謝(xie)與小(xiao)編(bian)頻繁(fan)聯系。

參數設置 | ABIT5-08001200-25-24P | ABIT5-04000800-25-25P |
頻繁范圍(wei)之內(Frequency range) | 8–12 GHz | 4–8 GHz |
增益控制(zhi)(Gain) | 30 dB 至(zhi)少值 | 30 dB 比較小(xiao)值(zhi) |
躁聲標準值(Noise figure) | 2.5 dB 上限值(zhi) | 2.5 dB 更(geng)大值 |
1 dB增(zeng)加(jia)收益擠(ji)壓(1 dB gain compression) | 24 dBm 最窄值 | 25 dBm 較小(xiao)值 |
BIT測(ce)試器(qi)域值(BIT detector threshold) | < 20 dBm* | < 20 dBm* |
BIT在線檢測制式(BIT detection format) | TTL 單端 | TTL 單端 |
傷害效率(Output power) | Logic 1 = +3.7 ±1.3 VDC | Logic 1 = +3.7 ±1.3 VDC |
Logic 1 = +0.4 ±0.4 VDC | Logic 1 = +0.4 ±0.4 VDC |