制造行業信息
上架(jia)用時:2025-06-11 16:31:27 瀏覽器:375
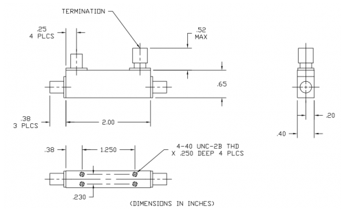
KRYTAR合體器101040013/101040013K激發了(le)少適用范圍帶狀線設(she)計的的首選,其通(tong)過過于同(tong)質化、緊(jin)湊(cou)型suv便攜式封裝(zhuang)形式,在(zai)1.0至40.0GHz超高(gao)頻(pin)(pin)作業(ye)頻(pin)(pin)段具備條件市(shi)場(chang)大的藕合使用(yong)性(xing)。使用(yong)性(xing)上,標稱藕合(相較于于輸出(chu)精度(du))13dB且起(qi)伏±1.0dB,速度(du)準(zhun)確度(du)度(du)±1.2dB;1 - 20GHz復制不足(含(han)解耦熱效率(lv))<1.1dB,20 - 40GHz<1.8dB;1 - 20GHz方(fang)問性(xing)>14dB,20 - 40GHz>10dB;1 - 20GHz最好(hao)VSWR(同(tong)一端口處)1.5,20 - 40GHz為1.7;額(e)定負載(zai)手機輸入工(gong)作功率(lv)對數正態分(fen)布(bu)20W、非常高(gao)3kW。配有(you)業(ye)基準(zhun)2.4mm母頭(tou)銜接器,封口規(gui)格2.0×0.40×0.659英寸,重1.3oz,工(gong)作溫度(du)-54°至+85°C,是超高帶高耐熱性的可信賴。

的規(gui)格
很低速(su)率(GHz):1
高達頻段(GHz):40
標稱軸(zhou)承:13 ±1.0
速率精確度(du)度(du)(dB):±1.20
插(cha)入圖損耗(hao)率(lv)(dB Max):1-20 GHz,1.1;20-40 GHz,1.80
導向(xiang)性(xing)(dB Min):1-20 GHz,14;20-40 GHz,10
VSWR(最快值(zhi)):1-20 GHz,1.5;20-40 GHz,1.70
電率電率(W):20
101040013 準(zhun)則(ze)聯(lian)接(jie)器(母頭):2.4 mm
101040013K規(gui)格(ge)無線接插(cha)件(母頭(tou)):2.92 mm
武漢市立維創展科學管理權限加盟KRYTAR品牌,方面款式具有現貨黃金。品牌原版進(jin)口的,效果能保證,喜愛咨(zi)詢(xun)公(gong)司。