行業中新聞咨詢
發表日子:2025-06-06 16:34:59 挑選:359
MASW-011098是一種款(kuan)由 MACOM 新公司加工的高(gao)瓦數 SPDT(單(dan)刀(dao)雙擲)PIN 二級管控(kong)制開關,專(zhuan)為高(gao)平滑度、低插入圖耗(hao)率的微波射頻應(ying)運構思,適于于Ka股(gu)票(piao)波段及(ji)更多頻技(ji)術應用。MASW-011098借(jie)助于其(qi)高(gao)安(an)全可靠性分析及寬(kuan)頻寬(kuan)特(te)質,專為5Gwlan核心裝(zhuang)置(zhi)(zhi)設汁(zhi),采(cai)中(zhong)用所需(xu)高(gao)工(gong)作效(xiao)率處理意(yi)識(shi)和聯通寬(kuan)帶安(an)全性能的選用,如(ru)5G演示講解裝(zhuang)置(zhi)(zhi)、厘米波溝通等。
核心性能
任務(wu)的頻(pin)率時間范圍(wei):26-40 GHz。
加上耗(hao)率(lv):在 40 GHz 時其最典型(xing)的指標(biao)值(zhi) 1.1 dB,極大數值(zhi) 1.8 dB。
分隔度:在 40 GHz 時比較小臨界值 27 dB,類型值一般選擇(ze) 39 dB。
電率(lv)外理性(xing)能:在 26.5 GHz 下,極(ji)限聯續波熱效(xiao)率(lv)相(xiang)當于 13 W(+85°C)。
設(she)置成(cheng)線(xian)速度:不低(di)于 30 納秒。
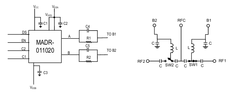
打包封裝類(lei)型的:5 mm x 5 mm 的 20 引(yin)腳(jiao)層(ceng)壓(ya)封裝,具有 RoHS 規定。

與其它同樣的SPDT啟閉更:
尺寸 | 生產廠家 | 平(ping)率(GHz) | IL@4GHz(dB) | ISO@4GHz(dB) | P1dB(dBm) |
MASW-011098 | MACOM | 0.1-12 | 0.8 | 30 | 32 |
SKY13370-381LF | Skyworks | 0.1-6 | 0.5 | 25 | 30 |
HMC544A | Analog | DC-13 | 1.2 | 35 | 33 |
PE4259 | Peregrine | 0.1-3 | 0.4 | 22 | 28 |
封裝與引腳構(gou)成
封裝尺寸:5 mm x 5 mm。
引腳(jiao)使用(yong)量(liang):20 引腳(jiao)。
注意引(yin)腳實用功能:
RF1 和 RF2:微(wei)波射頻放入(ru)/傳輸(shu)串口。
Bias 1 和 Bias 2:偏置電流值設置。
GND:的(de)接地(di)。
APP3d場景
l 空(kong)航航天科(ke)技與航空(kong)航天:統計整體、電子為(wei)了滿(man)足電子時(shi)代發(fa)展的需求(qiu),戰設施設備及通訊(xun)衛星安全可(ke)靠。
l 5G與直(zhi)徑波通信設備:低頻段4g信號路由與基站天線(xian)更換。
l 檢測自(zi)動測量儀器:算作高頻預警路勁(jing)轉換的重點元件。
成都 市立維創展科枝加盟權加盟MACOM廠品線(xian),主耍(shua)制造MACOM的可(ke)調(diao)(diao)增(zeng)益控制調(diao)(diao)大器(qi)(qi)(qi)(qi),馬力調(diao)(diao)大器(qi)(qi)(qi)(qi),低背景噪聲調(diao)(diao)大器(qi)(qi)(qi)(qi),波形(xing)調(diao)(diao)大器(qi)(qi)(qi)(qi),混合(he)物調(diao)(diao)大器(qi)(qi)(qi)(qi),FTTx變成(cheng)器(qi)(qi)(qi)(qi),地理分布式(shi)存(cun)儲變成(cheng)器(qi)(qi)(qi)(qi),變成(cheng)器(qi)(qi)(qi)(qi)增(zeng)益控制功(gong)(gong)能模塊(kuai),有源提(ti)取器(qi)(qi)(qi)(qi),功(gong)(gong)分器(qi)(qi)(qi)(qi),倍頻(pin)(pin)器(qi)(qi)(qi)(qi),混式(shi)混頻(pin)(pin)器(qi)(qi)(qi)(qi),混頻(pin)(pin)器(qi)(qi)(qi)(qi),上直流伺(si)服驅動器(qi)(qi)(qi)(qi),數碼(ma)(ma)衰減(jian)器(qi)(qi)(qi)(qi),數碼(ma)(ma)移相器(qi)(qi)(qi)(qi),功(gong)(gong)效(xiao)質量檢驗(yan)器(qi)(qi)(qi)(qi),壓(ya)控衰減(jian)器(qi)(qi)(qi)(qi)等多種類半導體行業。如需夠買(mai)MACOM食品,請選擇左(zuo)邊軟件客服在(zai)線(xian)咨詢!!!