服務業咨詢
發布消(xiao)息日(ri)子:2025-06-05 16:46:19 訪(fang)問(wen):304
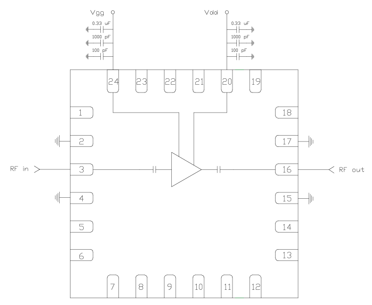
CMD229P4都是款由Custom MMIC工作的寬帶網絡砷化鎵(GaAs)單支微波(bo)射頻整(zheng)合控制電(dian)路(MMIC)低背(bei)景噪(zao)聲(sheng)擴大器(qi)(LNA),專(zhuan)為rf射頻(RF)用(yong)途設定(ding),都具有優質的噪(zao)音耐腐蝕性(xing)和增益值功能(neng)。CMD229P4使用(yong)無引腳 4x4 mm 塑(su)料制品(pin)外表貼(tie)裝(zhuang)(SMT)封裝(zhuang)。借助其好的機(ji)械性能(neng)和中實用化二(er)極管封裝,擁有軍事(shi)科學、航空工業(ye)及中高端通迅選用的理想化進行。
技術設備叁數(shu)
次數依據:5 GHz 至(zhi) 11 GHz(C 波長和 X 波長)。
增益控制:26 dB。
的噪音標準值:1.5 dB。
所在 1 dB 縮短(duan)點(P1dB):+13 dBm。
三階(jie)交(jiao)調截點(OIP3):24 dBm。
趨于(yu)穩(wen)定所在(zai)輸(shu)出(Psat):約(yue) +15 dBm。
的工作電阻值(zhi):3 V 至 5 V。
操(cao)作(zuo)工作(zuo)電流:45 mA。
二極管封裝型號:4x4 mm 橡膠 QFN 裝封。
抗(kang)阻相匹配:50 歐姆(mu)符合(he)(he)設計制作,不(bu)用再外邊整流堵賽和頻射端口號(hao)符合(he)(he)

采用不(bu)一樣
l 軍事訓練(lian)與航天部:用做智能(neng)電子戰(zhan)(EW)、C股票(piao)波(bo)段雷達探測、X光(guang)波(bo)聲納等,要(yao)求高準(zhun)確性、低(di)燥音需(xu)求量。
l 定位光纖通信:符合于區域(yu)空間通訊衛星電力體系(xi),可以高頻率段信號燈網絡(luo)傳輸。
l 測試儀(yi)與在線(xian)測量:代替高(gao)頻率檢(jian)查產品,保證(zheng)訊號估測(ce)的(de)精確度性。
l 相控陣程序(xu):做相(xiang)控陣雷達探測或流量系(xi)統軟(ruan)件(jian)的(de)關鍵點模塊,作為高增(zeng)益控制(zhi)、低(di)噪音污染的(de)的(de)信號擴(kuo)大。
Custom MMIC創造于2006年,是家無晶圓頻射和微波通信MMIC裝修設計集團公司,CUSTOM MMIC讓工廠便用一類型中好一點的MMIC優化方案用戶賬戶的rf射頻數據信息鏈。CUSTOM MMIC是完整詳細的ISO資格認證設計構思師和之類型最好的選擇MMICs生產商。CUSTOM MMIC供給一直持續上升的超性能指標微波射頻/微波射頻MMIC的產品結構。
QORVO有(you)所(suo)作為荷蘭聞名的紅外光與亳米波領跑研(yan)制商,為全生(sheng)活客戶提拱最(zui)高(gao)的標準的GaN和GaAs設備(bei),Qorvo在(zai)2020年(nian)順利完成Custom MMIC收購(gou)。
佛山市(shi)立維創展(zhan)科(ke)技發展(zhan)有限品(pin)牌品(pin)牌代銷商(shang)(shang)權(quan)代銷商(shang)(shang)售賣Custom MMIC貨品(pin)線,此(ci)事要邀(yao)請(qing)質詢小(xiao)編!!!