服務業資迅
推出時刻:2025-04-28 16:35:21 搜素:437
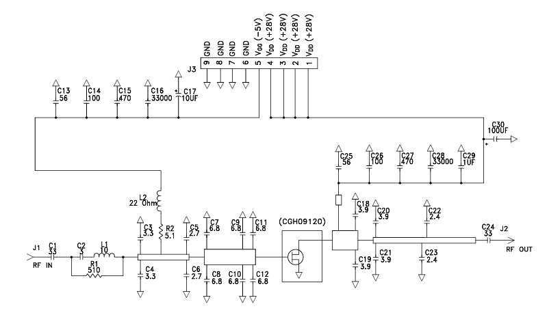
CGH09120F是(shi)一個(ge)款由 Wolfspeed(原CREE科銳)我(wo)司(si)生(sheng)產制造的(de)高電子廠轉(zhuan)移率氯化(hua)鈉(na)晶體管(HEMT),選用氮化(hua)鎵(GaN)技術水(shui)平,包(bao)括高率、高增益(yi)控(kong)制和帶寬特(te)性,大力支持網絡帶(dai)寬信息進行(xing)處理,愈加(jia)適用于要(yao)動態的頻段調(diao)整(zheng)的體統(tong)。

主要屬性
的頻(pin)率面積:UHF 至 2.5 GHz。
電率(lv)模擬輸出:120 瓦(wa)。
收獲:21 dB。
崗位端電壓:28 V。
打包封裝(zhuang)表現形式(shi):工(gong)業陶瓷/黑色(se)金(jin)屬卡箍(gu)封裝(zhuang)形(xing)式。
轉化率:在 20 W PAVE 追(zhui)訴時效比(bi)率 35%。
利用優(you)劣(lie)勢(shi):支技寬度(du)阿拉(la)伯數字(zi)預模糊(DPD)較準(zhun)。
科(ke)技做對(dui)比(bi)與(yu)好處
參數設置 | CGH09120F | 硅基LDMOS | 微信備注(zhu)名 |
規律已達 | 2.5 GHz | 普通<1 GHz | GaN在低頻下有效率最高 |
公(gong)率(lv)密度計算公(gong)式 | 4.3 W/mm2 | 約(yue)1 W/mm2 | 適用密集型(xing)方案(an) |
率(lv)(PAVE) | 35% | 20%~25% | 正相(xiang)關削(xue)減系(xi)統軟件(jian)功(gong)率 |
熱導率(lv) | 1.2°C/W | 2.5°C/W | 來(lai)詢的(de)風扇散(san)熱效果 |
應用領域
遠程安全可靠移動信號塔
成為 LTE、WCDMA 或(huo) MC-GSM 通信(xin)(xin)(xin)通信(xin)(xin)(xin)基站(zhan)工作(zuo)電壓拖(tuo)動器的管理處元(yuan)件,供應提高學習效(xiao)率(lv)率(lv)、高波形的rf射頻數(shu)據(ju)拖(tuo)動,較低通信(xin)(xin)(xin)通信(xin)(xin)(xin)基站(zhan)能源(yuan)消耗與運營服務費用(yong)。
使(shi)廣泛用于多載(zai)波締合(he)(CA)游(you)戲場景,利用 DPD 新(xin)技術提高了多載(zai)波無線信號的線形(xing)度。
統計與電(dian)子為了(le)滿足(zu)電(dian)子時(shi)代發(fa)展的(de)需求,戰操作系統
在汽車(che)雷(lei)達釋放出機中(zhong)構(gou)建(jian)寬帶網信號燈的(de)有效(xiao)率擴大,大力(li)支持高(gao)分(fen)數辨(bian)率顯像與方向探測(ce)器。
常應用在光電(dian)戰中的電(dian)磁(ci)波輻(fu)射機,用高熱效(xiao)率、寬(kuan)帶網寬(kuan)性能保證有效(xiao)率的訊號抵抗。
北斗衛星(xing)數據通信與微波加熱傳輸
在 Ka 頻段或(huo) Ku 頻段定(ding)位通信技術(shu)網絡終端中,為熱(re)效(xiao)率變成配(pei)件,給予安穩的的信號收獲與(yu)輸出精度熱(re)效(xiao)率。
適用(yong)性(xing)于微波加熱(re)傳送數(shu)值線路,大力支持(chi)長范(fan)圍(wei)、高數(shu)量(liang)的數(shu)值無線傳輸。
河南市立維創展高新科技是CREE的供(gong)應商商,CREE欧(ou)美(mei)(mei)亚洲一区(qu)(qu)-欧(ou)美(mei)(mei)激(ji)情一区(qu)(qu)-欧(ou)洲一区(qu)(qu)二区(qu)(qu)-欧(ou)美(mei)(mei)激(ji)情一区(qu)(qu)二区(qu)(qu)成品其中包(bao)括:LED集(ji)成電路芯片(pian)、照明(ming)設備(bei)LED、背光LED、主機電源(yuan)按(an)鈕開關安裝(zhuang)、rf射頻主設備(bei)用LED和wifi手(shou)機電機器。中鐵(tie)二院憑著其優勝的供(gong)貨渠道管(guan)理,持(chi)有短期的存(cun)儲以滿足需(xu)要中國(guo)人市場(chang)的實際(ji)需(xu)求。喜歡資詢。