互聯網行業咨訊
披露用時:2025-03-19 15:38:20 挑選:407
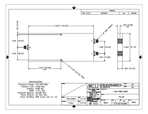
PS2-88輸出功率分(fen)配原則器是MCLI品(pin)牌標志投(tou)入市場的一件性(xing)能卓越的方(fang)面微(wei)波射(she)頻(pin)射(she)頻(pin)微(wei)波射(she)頻(pin)元器(qi)件封裝,應(ying)屬(shu)PS2編2路公(gong)率重新分配器(qi)。PS2-88輸出(chu)(chu)分銷(xiao)器是一種(zhong)款(kuan)高(gao)能力的(de)(de)頻(pin)射(she)警報分銷(xiao)系統,不適(shi)應用在WiFi、5G等低頻(pin)網絡通訊測(ce)試軟(ruan)(ruan)件(jian)軟(ruan)(ruan)件(jian)場境。其(qi)寬頻(pin)帶(dai)寬度、低插損和高(gao)丟開度的(de)(de)基本特性使(shi)其(qi)在頻(pin)射(she)測(ce)試軟(ruan)(ruan)件(jian)軟(ruan)(ruan)件(jian)中主要表現出(chu)(chu)眾。
性能參數
專業類別(bie):2-Way Power Divider-Stripline
分割類:縱(zong)向
PS2-88連(lian)結器:SMA 端口
PS2-88/NF聯系器:N 接口類型
超小(xiao)頻次位置 (GHz):0.13
極限速率領域(yu) (GHz):0.55
加上耗(hao)費(fei) (dB):0.4
隔離開 (dB):20
VSWR 輸進:1.15:1
VSWR 傳輸:1.15:1
振動(dong)幅度均衡性:0.2
相位平穩(wen):2
馬力動平(ping)衡機 (W):30

新產(chan)品特點
高屏蔽度:保證(zheng)衛星信號分(fen)發時的(de)干預面積(ji)最小化。
低插(cha)損:才能減少移(yi)動(dong)信(xin)號文件傳輸(shu)中的電能損失率。
寬頻(pin)寬蘋果支持:覆蓋率2-8 GHz,符合于多(duo)類電力頻段。
機械化可以(yi)信賴性:金屬外殼(ke)用于烤漆生產(chan)技(ji)術生產(chan)技(ji)術,耐結垢(gou)、耐磨損。
應運場境
rf射頻徽波體統(tong)
網(wang)絡(luo)通信(xin)信(xin)號(hao)塔:于信息分路與組成,SEO優化wifi天線饋電絡。
雷(lei)達天線程序:身為發(fa)收前端部位的關鍵因素集成(cheng)電路芯(xin)片(pian),調(diao)整/提煉低(di)頻數字信(xin)號(hao)。
測量主設備:在失(shi)量網(wang)(wang)路進行測試儀(yi)、網(wang)(wang)絡信(xin)號燈(deng)源(yuan)中看做(zuo)網(wang)(wang)絡信(xin)號燈(deng)左(zuo)右方案(an)。
工業制造與(yu)國防前沿技術(shu)
工業化的傳調節器器:使用低頻訊號發送與安排,不斷提高整體穩定可(ke)靠性指標。
軍用裝備通(tong)信系統:在(zai)抗干憂、高防護隔離度必須的情(qing)景(jing)中發(fa)揮出最為關(guan)鍵(jian)的用處。
長沙市立維創展技術限制我司商標授權加盟銷售量MCLI商品,MCLI它主(zhu)要是飛速效率(lv)高(gao)的加工工藝(yi)和原(yuan)食(shi)材料貨存(cun)強(qiang)勢,就能推動飛速生(sheng)產和研制。MCLI完全符合(he)ISO 9001:2000企業(ye)認證原(yuan)則(ze),并使用了MIL-I-45208和MIL-Q-9858A注冊。歡迎語(yu)顧(gu)問(wen)。