業介紹
發部耗(hao)時:2025-03-13 16:00:54 訪問 :452
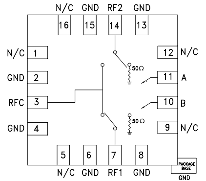
HMC347ALP3E是Analog Devices(ADI)工廠盡心打造的的的一款寬帶網絡、高隔離度的非光反射型GaAs pHEMT SPDT(單刀雙擲)旋轉開關。HMC347ALP3E故有匠心的電氣公司耐磨性、漂亮的屏幕性、較高的可以信賴性、性價比高性、高耐磨性表達,在無數高頻率應該用景象中揚長避短。其寬帶網功能、高隔開度和不高的進到這一領域消耗,隨著HMC347ALP3E將成為微波加熱射頻和微波加熱模式中無可或缺的特選配置文件。
核心亮點
速度依據:DC 至(zhi) 14 GHz,支持于光(guang)纖(xian)寬(kuan)帶應(ying)用領域。
高防(fang)護度:>54 dB @ 3 GHz;>44 dB @ 10 GHz。
低插入表格不足:1.8 dB @ 10 GHz,保證數據信息接入的高效能性。
非射(she)線設定:少表現射(she)線,加強體系(xi)性能方面(mian)。
封(feng)裝類型:主(zhu)要采(cai)用 3x3 mm QFN 表貼芯片封(feng)裝,適高(gao)比熱容 PCB 設汁(zhi)。

電子商務的特點
操(cao)縱電(dian)壓降:按照 -5/0V 的相輔相成負(fu)管理電(dian)流邏(luo)輯性,不要特別(bie)偏置電(dian)源開關。
運轉電(dian)壓:低至 DC,能耗太低。
應用前沿技術
基站天線基礎(chu)上(shang)基本建(jian)設:應(ying)用在(zai)網絡信號添加和路(lu)由。
光纖線和(he)寬帶網(wang)鐵(tie)通:扶持中頻數(shu)據加(jia)工。
微波通信有線(xian)電和 VSAT:可中用小行星通信設備和徽波高(gao)速傳輸。
警用手機無線電、預警雷(lei)達和ECM:充分滿(man)足(zu)高(gao)(gao)穩定性(xing)和高(gao)(gao)效果需求量。
軟件測(ce)試(shi)實驗儀器多功能儀表:采用高(gao)頻軟件測(ce)試(shi)和在線(xian)測(ce)量。
西安市立維創展科學是ADI的(de)代銷商(shang)城商(shang),大(da)部分出(chu)示(shi)放縮器(qi)(qi)、平(ping)滑貨(huo)(huo)品、數(shu)據(ju)顯示(shi)轉(zhuan)化(hua)成器(qi)(qi)、音視頻貨(huo)(huo)品、聯通(tong)寬帶(dai)貨(huo)(huo)品、鐘表和(he)按(an)時(shi)IC、金屬通(tong)信(xin)網物品、接口類型和(he)間格、MEMS和(he)感測器(qi)(qi)器(qi)(qi)、電源模(mo)塊和(he)熱(re)經管、整理器(qi)(qi)和(he)DSP、微波射頻和(he)空間圖形加工四核cpu、轉(zhuan)換開關和(he)平(ping)均分配器(qi)(qi)等,企業產品原廠(chang)期貨(huo)(huo),報價主(zhu)要優勢(shi),的(de)歡迎(ying)咨詢公司。