服務業訊息
發布信息時光:2025-03-12 15:37:34 搜索:461
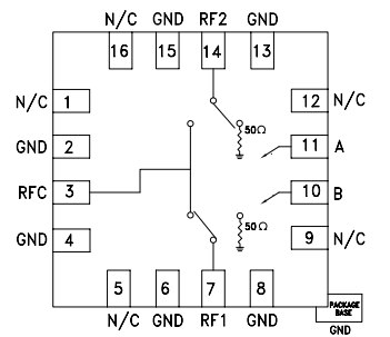
HMC547ALP3E是一個款由Analog Devices (ADI) 可以提供的光纖寬帶高防曬隔離霜度非反射強度式 GaAs pHEMT SPDT(單刀雙擲)rf射頻按鈕開關,可應用于于從 DC 到 20 GHz 的寬頻段采用。HMC547ALP3E兼具高效能、高信得過性、高防護隔離度和低導入損耗量的共同點,可代替預警雷達、衛星信號流量、測試測試設施等中頻適用動畫場景。

核心屬性
速度的范圍:DC 至 20 GHz,適于于帶寬廣泛應用。
高隔離開度:
在 5 GHz 下類,分隔度 >50 dB。
在 15 GHz 接下來,丟開度 >45 dB。
低添加圖片耗損:典型案例臨界值 2 dB,加強組織領導數字信號數據傳輸的高效率性。
管理邏輯學:采取相容負把控電阻思維(-5V/0V),不能不偏置電源線。
打包封裝:緊身的 16 引腳 LFCSP EP(帶露出焊盤的引線骨架電源芯片級封裝),是和表面上貼裝。
綠色環保合規經營:合乎 RoHS 標準單位,無鉛設置。
應用研究方向研究方向
移動通信基站地基油煙凈化器:使用移動通信基站中的頻射無線移動信號添加和路由,抓實無線移動信號的可靠網絡傳輸和效率高治理 。
光纖傳輸與網絡帶寬溝通:在網咯光纖通信網系統化系統化系統化和網咯帶寬5G網咯中,確保衛星信號的就能和分攤,保證通信網系統化的耐用性和便捷性。
紅外光無線網絡電與 VSAT:適用性于微波通信手機無線電傳導和甚小眼徑網絡終端(VSAT)裝置,實現目標不一樣頻帶兩者的無線信號設置成。
軍事科技領域:在軍工用無線wifi電、統計和光電對敵(ECM)等機械中,適用迅速開啟不同于的任務方式或信號燈路徑分析。
公測設備儀容儀表:可于測式實驗室設備中的表現路由和調節,如數據網絡解析一下儀、表現遭受器等,便宜對有所差異表現通過測量方法和解析一下。
成都 市立維創展社會是ADI的經銷商商,主要提供了變成器、規則化貨品、資料改換器、音頻系統圖片貨品、寬帶網絡貨品、石英鐘和延時IC、光釬微波通信好產品、標準接口和隔、MEMS和感應器器、電源開關和熱經管、處置器和DSP、頻射和原型治理 器、旋鈕和重新分配器等,食品原廠現貨黃金,單價其優勢,的歡迎顧問。
上一篇: 高速模數轉換器ADC時鐘極性與啟動時間