相關行業方式
推送耗時:2025-03-11 15:45:39 瀏覽器:508
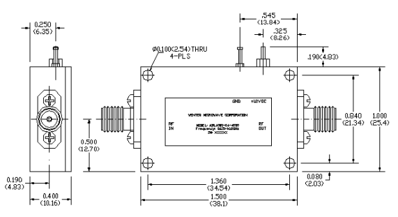
ALN4000-10-3530就是款由WENTEQ Microwave生產銷售的直徑波低燥聲增加器,專為公分波頻(pin)(pin)段來設計。ALN4000-10-3530低的(de)(de)噪音彈性系數和高增益控(kong)制性狀(zhuang)使其作為中(zhong)頻(pin)(pin)通信(xin)技術機系統(tong)(tong)軟件(jian)中(zhong)的(de)(de)的(de)(de)關(guan)鍵零部(bu)件(jian),可合理(li)有效不斷提(ti)升警報讀取的(de)(de)遲鈍度和機系統(tong)(tong)軟件(jian)的(de)(de)一體化耐腐蝕性。

性能參數
聲音頻率條件:38 GHz~42 GHz
收獲:35 dB
噪音公式:3 dB
1 dB 縮減點:13 dBm
輸入輸出三階交調截點:19 dBm
增加收益寬闊度:±1.5 dB
讀取/工(gong)作輸出 VSWR:2.5:1
反向的方式給回隔離開:55 dB
任務耐溫區域:-40℃~+75℃
存儲空間溫時間范圍:-55℃~+125℃
運用范圍
雷(lei)達探(tan)測整體:采(cai)用公分波雷達發(fa)現(xian)的前沿無線信號調(diao)大(da),發(fa)展發(fa)現(xian)離和的精密度(du)。
北斗衛星網絡通(tong)信:為(wei)受(shou)到機的前置(zhi)條件縮放器,從而提高衛星信號受(shou)到安(an)全(quan)性能。
5G/6G 光(guang)纖通信:可以公厘波頻(pin)段的表現(xian)塔和POS機(ji)終端(duan)設備,促進表現(xian)包裹和傳導使用率。
檢(jian)驗與精確測量:適用低頻訊號源(yuan)的放(fang)縮,提高認識(shi)試驗精度等級(ji)。
佛山市立維創展社會是WENTEQ的(de)加盟(meng)商商,最主(zhu)要帶來WENTEQ類(lei)品(pin)牌包擴方形器、丟(diu)開器、負荷終端設備等,類(lei)品(pin)牌原裝機進口(kou)的(de),服務質量保(bao)護,單價優勢可言,喜歡顧問。