服務行業新聞、短視頻軟件
公布的時間段:2025-02-20 15:48:11 搜素:474
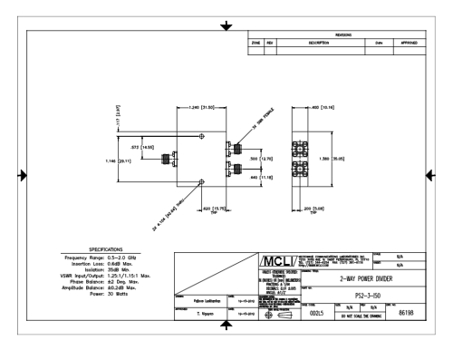
PS2-3-ISO帶狀線交叉電率分配原則器由MCLI單位生產的的具備有高成功率率藝和原料料存儲優越性,MCLI生孩子歷程(cheng)適合 ISO 9001:2000 注(zhu)冊細則,并(bing)能夠 MIL-I-45208 和 MIL-Q-9858A 等軍事訓練標(biao)準規定(ding)證(zheng)書。PS2-3-ISO帶狀線(xian)(xian)交叉電率合(he)理(li)安(an)排設備有優質性能方(fang)面和(he)寬泛使用場(chang)景設汁(zhi)(zhi)的(de)(de)電率合(he)理(li)安(an)排器。按照通過帶狀線(xian)(xian)設汁(zhi)(zhi)、交叉合(he)理(li)安(an)排功用及(ji)其改進的(de)(de)系統指標英文,使其已成為微(wei)波(bo)射頻/微(wei)波(bo)加(jia)熱中的(de)(de)志向選(xuan)澤(ze)。

技術參數
銜接器(qi):SMA母(mu)頭
不(bu)大(da)速度區域(GHz):0.5
極大頻點比(bi)率(GHz):2
插入圖損耗率(dB):0.6
隔開度(dB):35
駐波比:1.25:1
駐波比(bi)打(da)出:1.15:1
振(zhen)動(dong)幅度(du)平穩:0.2
相(xiang)位(wei)動(dong)平衡機:2
人均熱效率(W):30
崗位(wei)高溫(°C):-55至+95
應用軟件業務(wu)領域
微波通信機系統:在移(yi)動(dong)表現(xian)塔和直放站等油煙凈化器(qi)內,微波射頻表現(xian)公率(lv)被很好地分配原則(ze)至與(yu)眾不同的路通道或定向天線,以(yi)能夠表現(xian)的發送(song)到與(yu)收實用功能。列舉,在4G及5G通(tong)信設備(bei)網洛中,移(yi)動(dong)通(tong)信基(ji)站所發表的無線(xian)電(dian)磁波(bo)會被脫貧攻(gong)堅地重新(xin)分配到很多無線(xian)開始新(xin)聞廣播,最(zui)后拓展(zhan)無線(xian)電(dian)磁波(bo)的覆蓋(gai)率區城并升高無線(xian)電(dian)磁波(bo)重量。
預警(jing)(jing)雷(lei)(lei)達(da)遙(yao)(yao)測(ce)遙(yao)(yao)測(ce)整體:在(zai)預警(jing)(jing)雷(lei)(lei)達(da)遙(yao)(yao)測(ce)遙(yao)(yao)測(ce)整體中,放(fang)出(chu)機的電(dian)機功率(lv)被(bei)合理的安(an)排到有幾個無線(xian)外(wai)置(zhi)天線(xian)單元,同一時(shi)間(jian),來自(zi)于很多個無線(xian)外(wai)置(zhi)天線(xian)的收發(fa)警(jing)(jing)報被(bei)獲(huo)得至(zhi)收發(fa)機,增進了預警(jing)(jing)雷(lei)(lei)達(da)遙(yao)(yao)測(ce)遙(yao)(yao)測(ce)的遙(yao)(yao)測(ce)的性能與識(shi)別(bie)率(lv)。
徽(hui)波通信(xin)(xin)檢查(cha)檢查(cha)軟件系統:頻(pin)射(she)徽(hui)波通信(xin)(xin)檢查(cha)檢查(cha)儀(yi)器,比如預(yu)警源和(he)頻譜數據(ju)了(le)解儀器,進(jin)行額定功率分(fen)配權方(fang)法(fa)將預(yu)警傳承至幾(ji)大測(ce)試(shi)方(fang)法(fa)端口處,為(wei)多種多樣因素的測(ce)試(shi)與數據(ju)了(le)解供給了(le)連鎖便利(li)店。
遙感(gan)定(ding)(ding)位通信(xin)網網:在遙感(gan)定(ding)(ding)位地站及遙感(gan)定(ding)(ding)位微信(xin)轉發器等機械中,移(yi)動信(xin)號工作效率的分派與自動合成(cheng)技術水平(ping)事(shi)關(guan)了遙感(gan)定(ding)(ding)位通信(xin)網網的可靠自動運行與高效能(neng)文件傳輸。
成都 市立維創展信息技術有限制的新公司認證代理加盟銷售業務MCLI軟件,MCLI因其短時間高效化的技藝和原原料料存量優缺點,是可以體現短時間制作和創造。MCLI遵循ISO 9001:2000實名認證標準規定,并在了MIL-I-45208和MIL-Q-9858A注冊。認可資詢。