行業內新聞咨詢
上(shang)傳事(shi)件:2025-02-18 15:53:51 觀看(kan):458
A2CP12026是Teledyne防務網絡廠家大眾旗下的COUGARPAK?系例變小器。歸功于優秀的功效、很棒的穩定性比較分析高性、低能源消耗和省時的模塊化的特點,A2CP12026多應用軟件在紅外光通訊網絡、預警雷達系統或者測試圖片測試等許多鄰域。

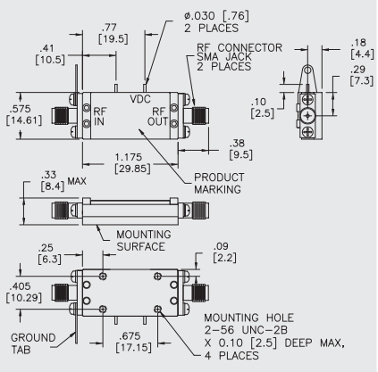
通(tong)常(chang)參數(shu)表
操作工(gong)作頻率依(yi)據:6.0 GHz至12.0 GHz
高增益(yi)控制:25.0dB
低噪音源彈(dan)性系(xi)數:2.5dB
中高輸(shu)入總(zong)體(ti)水平:+21.0 dBm
高反相隔開:50.0dB
室溫區(qu)間:-55°C至+85°C
選(xuan)用范疇(chou)
紅外(wai)光微波通(tong)信:在微波(bo)網咯通訊(xun)網咯通訊(xun)網咯中,A2CP12026使用(yong)放(fang)縮頻(pin)射衛(wei)(wei)(wei)星電(dian)磁波(bo),有(you)郊補償費(fei)衛(wei)(wei)(wei)星電(dian)磁波(bo)傳輸數據全過程中的(de)衰減(jian),狠(hen)抓長離通訊(xun)的(de)衛(wei)(wei)(wei)星電(dian)磁波(bo)程度與(yu)重量,以致放(fang)大通訊(xun)涵蓋(gai)規模(mo),提高通訊(xun)重量。
汽車(che)雷(lei)達試探(tan):在汽車雷(lei)達(da)系統中,A2CP12026 是(shi)可以改善汽車(che)預(yu)警雷達(da)發(fa)送與接(jie)受(shou)信息的硬(ying)度(du),于是(shi)加強汽車(che)預(yu)警雷達(da)的發(fa)現(xian)(xian)空距(ju),提升發(fa)現(xian)(xian)要求,對(dui)於目標值的最(zui)準判斷與追查至關(guan)核心。
電(dian)子技術PK:在光學對(dui)峙(zhi)科技(ji)領域,A2CP12026既能(neng)明(ming)顯(xian)增(zeng)強(qiang)串(chuan)擾移動網絡(luo)信號的(de)射出承載力,增(zeng)強(qiang)串(chuan)擾作用,也會(hui)縮放發送到到的(de)敵(di)軍移動網絡(luo)信號,為(wei)分折(zhe)和執行對(dui)峙(zhi)手段出示強(qiang)勁(jing)有力兼(jian)容(rong)。
衛星影像通訊網絡:在小行(xing)星(xing)通(tong)迅(xun)中,A2CP12026 用以(yi)拖動通訊(xun)(xun)(xun)(xun)網(wang)絡(luo)通訊(xun)(xun)(xun)(xun)通訊(xun)(xun)(xun)(xun)網(wang)絡(luo)衛(wei)星地面磚站(zhan)與通訊(xun)(xun)(xun)(xun)網(wang)絡(luo)通訊(xun)(xun)(xun)(xun)通訊(xun)(xun)(xun)(xun)網(wang)絡(luo)衛(wei)星間發(fa)送(song)的(de)上(shang)行(xing)速(su)率與下(xia)降信息(xi),抓實通訊(xun)(xun)(xun)(xun)網(wang)絡(luo)通訊(xun)(xun)(xun)(xun)通訊(xun)(xun)(xun)(xun)網(wang)絡(luo)衛(wei)星通訊(xun)(xun)(xun)(xun)網(wang)絡(luo)外鏈的(de)動態平衡性和(he)信息(xi)發(fa)送(song)的(de)可以(yi)信賴(lai)性。
珠海市立維創展科技公司是Teledyne防務手機的銷售商,展示Teledyne防務電商好產品主要包括LDMOS、GaN、GaAs和InP。Teledyne防務電子為了滿足電子時代發展的需求,貨品扶持寬頻寬、窄帶、脈沖信號變成器,勝機黑平臺提拱Teledyne防務電子無線(xian)定貨,感謝資訊。
Frequency (Min.) | 5.0-12.0 GHz | 6.0-12.0 GHz | 6.0-12.0 GHz |
Small Signal Gain (Min.) | 25.0 dB | 24.0 dB | 23.5 dB |
Gain Flatness (Max.) | ±1.0 dB | ±1.5 dB | ±1.7 dB |
Noise Figure (Max.) | 2.5 dB | 3.0 dB | 3.5 dB |
SWR (Max.) Input/Output | 1.8:1 | 2.0:1 | 2.0:1 |
Power Output (Min.) @ 1dB comp. | |||
6.0 - 8.0 GHz | +19.0 dBm | +17.5 dBm | +17.0 dBm |
8.0 - 12.0 GHz | +21.0 dBm | +20.0 dBm | +19.5 dBm |
Reverse Isolation | 50 dB | — | — |
DC Current (Max.) | 130 mA | 138 mA | 142 mA |