制造行業新聞
發(fa)布了(le)周(zhou)期:2025-02-10 15:58:30 看(kan):623
ALN3750-13-3335直徑波低嗓(sang)聲變成(cheng)器是直徑波通信網絡平臺中的關鍵應用程序,專(zhuan)為高頻(pin)信號燈變成(cheng)而設置,通常使用于于5G及的前景6G安(an)全可(ke)靠(kao)網絡(luo)、衛(wei)星信號安(an)全可(ke)靠(kao)網絡(luo)及(ji)及(ji)統計系統等mm波(bo)頻段(duan)廣泛應用(yong)。
性狀:
規律范(fan)圍之內:ALN3750-13-3335在35.0至40.0GHz頻(pin)段內(nei)出具低躁音、高收(shou)獲的運營的性能。
保持穩判(pan)定與配備:具備條件(jian)(jian)低相電壓駐波比(VSWR),保(bao)障無的條件(jian)(jian)穩定(ding)性,加強系統軟件(jian)(jian)整(zheng)體(ti)上功效。
緊(jin)身經(jing)濟條件:體(ti)型大小精巧(qiao),料(liao)工費(fei)效用高(gao),滿足一體(ti)化于不同寬敞型通訊技(ji)術環(huan)保設備(bei)中(zhong)。
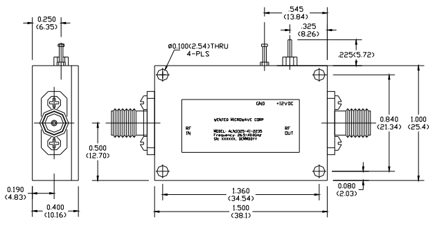
接(jie)頭(tou)規定(ding):選擇K型(xing)母鏈接(jie)器作為(wei)一個(ge)插入/輸出的接(jie)口標(biao)準(zhun),方便與一些插件進行連接(jie)。
交流(liu)電源業務需求:僅需某一整流電原供電局,內(nei)部(bu)自帶線(xian)電壓(ya)可以開關,簡易電原控制。
溫度(du)因(yin)素滿足性(xing)強:工(gong)作的(de)溫差區間寬(kuan)(-40°C至(zhi)+75°C),貯存(cun)工(gong)作溫度范疇(-55°C至(zhi)+85°C),改變多(duo)種多(duo)樣(yang)工(gong)作環境條件。
性能指標:
較低嗓聲指數公式:ALN3750-13-3335仰(yang)仗品(pin)質可靠的光電(dian)器件生產技術和柔性(xing)化的電(dian)路原理方案,實(shi)現目標了很(hen)低的噪音污(wu)染污(wu)染標準值,更有(you)效減弱(ruo)系統軟(ruan)件噪音污(wu)染污(wu)染,明顯大幅提升信號燈(deng)分(fen)明度。
高增加收(shou)益特征(zheng):為足夠毫米(mm)波通信網(wang)對走勢標準的嚴格(ge)需(xu)要,ALN3750-13-3335供(gong)應高增益控制內容輸出,以保證警(jing)報(bao)在(zai)高速傳輸外鏈中(zhong)恢(hui)復可以的密度(du),縮減衰減。
不(bu)錯的固定義(yi):為(wei)不要自(zi)激(ji)振蕩器和走(zou)勢輪廓,ALN3750-13-3335主要采用信息化的(de)(de)均(jun)衡(heng)節構或動態平衡(heng)性增進技術工藝,有效確保在(zai)直(zhi)徑波頻段內動態平衡(heng)工作的(de)(de)。
成都市立維創展科技欧美亚洲一区-欧美激情一区-欧洲一区二区-欧美激情一区二区是WENTEQ的(de)(de)(de)供應(ying)商商,主(zhu)要是展示(shi)WENTEQ的(de)(de)(de)車輛(liang)還有環狀器、消(xiao)毒器、電動機(ji)扭矩最終等,的(de)(de)(de)車輛(liang)原裝(zhuang)機(ji)國(guo)外(wai),線質量確保,的(de)(de)(de)價格資源優勢,歡迎語咨詢中(zhong)心。

Parameters | Specifications | |||
Minimum | Typical | Maximum | ||
Frequency Range | GHz | 35.0 | 40.0 | |
Nominal Gain @25°C base plate temperature | dB | 30.0 | 33.0 | 36.0 |
Noise Figure | dB | 3.5 | 4.0 | |
P-1dB Compression Point | dBm | 12.0 | 15.0 | |
Output IP3 | dBm | 18.0 | 22.0 | |
Gain flatness | dB | +/-1.5 | +/-2.0 | |
Gain Variation over Temperature Range | dB | +/-1.5 | +/-2.0 | |
Reverse Isolation | dB | 55.0 | ||
Input VSWR | - | 1.8:1 | 2.5:1 | |
Output VSWR | - | 1.8:1 | 2.5:1 | |
Spurious | dBc | -70.0 | ||
Operating Temperature | °C | -40.0 | +75.0 | |
Survival Temperature | °C | -45.0 | +125.0 | |
DC Power Supply Voltage | V | +8.0 | +10.0 | +12.0 |
DC Power Supply Current | mA | 150.0 | 230.0 | 280.0 |
RF In/Out connectors | k-Female | |||
DC Input Connector | Feedthru Pin | |||
Size | inches | 1.50×1.0×0.4 | ||