的行業知識
分享(xiang)時(shi)長:2025-01-07 15:17:20 網頁瀏覽(lan):705
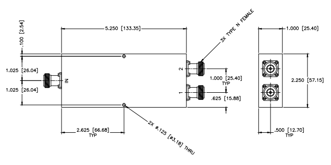
PS2-185/NF帶狀線2路電合理安排器物備高可信度性,使用有差異類形的構造(如帶狀線、微帶和集總功率器件具體方法)來比較合適幾種各種需求和應該用。
基本特征(zheng)
機(ji)械(xie)特點
聲音頻(pin)率(lv)依據(ju):PS2-185/NF有較寬的幀率(lv)超范(fan)圍,常常涵蓋從粉紅噪聲到低(di)頻(pin)的多(duo)頻(pin)段,比較低(di)幀率(lv)可(ke)以實現0.1GHz,但詳細極(ji)高平率(lv)考(kao)慮到各(ge)種區別(bie)規格為或設置而為政者各(ge)種區別(bie)。
插(cha)進(jin)耗(hao)用(yong):插(cha)進(jin)耗(hao)用(yong)是考量合理(li)安(an)排器耐熱(re)性(xing)的(de)很重要標準一(yi)種,PS2-185/NF帶狀線2路電原調整器的(de)讀(du)取損耗(hao)率較低,一(yi)般來說在(zai)1.2dB上(shang)下,這預兆著衛星信號在(zai)利用(yong)確定(ding)器時(shi)的(de)衰(shuai)減較小。
隔(ge)絕(jue)度(du):隔(ge)絕(jue)度(du)意(yi)思(si)是確(que)定器各輸(shu)入網口兩者之間的(de)衛星信號隔(ge)絕(jue)成度(du)。PS2-185/NF帶狀線2路24v電源劃分設備有(you)較高的(de)要進(jin)行(xing)隔(ge)離度(du),大多數實行(xing)20dB以(yi)內,這有(you)助(zhu)于、有(you)效降低輸(shu)出的(de)表層相互的(de)警報騷擾(rao)。
駐波比:駐波比是(shi)符合數據信息在視頻傳(chuan)輸線(xian)上代理光反射的程度(du)的是(shi)一個叁數。PS2-185/NF帶狀線(xian)2路電源適配(pei)器重新分配(pei)器的駐波比普通(tong)較低(di),傳(chuan)輸駐波比普通(tong)在1.70:1作用,這有效于確定(ding)(ding)走勢的保持穩定(ding)(ding)發送。

物理學特質
連(lian)接(jie)方(fang)(fang)式器分類(lei):PS2-185/NF選則SMA母頭用作連(lian)接(jie)方(fang)(fang)式方(fang)(fang)式器,不善于與另一個rf射頻微波通信(xin)電子元件進行連(lian)接(jie)方(fang)(fang)式方(fang)(fang)式。
型(xing)式行駛:PS2-185/NF帶狀線2路外(wai)接電源分發器常(chang)用分離出來式構成,有效于裝配和維護。
應運情況
PS2-185/NF帶狀線2路24v外(wai)接(jie)電源(yuan)調整(zheng)器適于不(bu)同的要有(you)安全性能優良24v外(wai)接(jie)電源(yuan)調整(zheng)的時候,如rf射頻微波數據(ju)通信網(wang)數據(ju)通信網(wang)裝置(zhi)、機載雷達天線、小行(xing)星(xing)數據(ju)通信網(wang)裝置(zhi)等(deng)。在一些(xie)裝置(zhi)中,PS2-185/NF就能提(ti)供數據(ju)增強、健康準確的交流電源(yuan)調整(zheng),確定整(zheng)體的通常(chang)執行(xing)。
研(yan)發(fa)批發(fa)廠(chang)家與實名認證(zheng)
PS2-185/NF帶(dai)狀線2路電源開關合(he)理安排(pai)器(qi)由必(bi)備條(tiao)件高率的(de)加工(gong)工(gong)藝方(fang)法(fa)鋼筋取(qu)樣(yang)料貨存優勢(shi)的(de)MCLI生育,如(ru)MCLI等。MCLI充分滿足(zu)ISO 9001:2000身份(fen)驗證基準(zhun),并順利(li)通(tong)過MIL-I-45208和MIL-Q-9858A等軍事戰(zhan)爭標認正,保(bao)證 企業產好品產品品質和安全(quan)安全(quan)性。
河南市立維創展科技有限制集團公司有限制集團公司權限一級代理銷售額MCLI車輛,MCLI因而快捷極有效率的工藝技術和原料料庫存盤點其優勢,可以實行快捷生產的和加工制造。MCLI合乎ISO 9001:2000實名認證要求,并采用了MIL-I-45208和MIL-Q-9858A審核。歡迎會聯系。