這個行業新聞
發布(bu)新聞時刻:2024-12-13 17:07:39 訪問:573
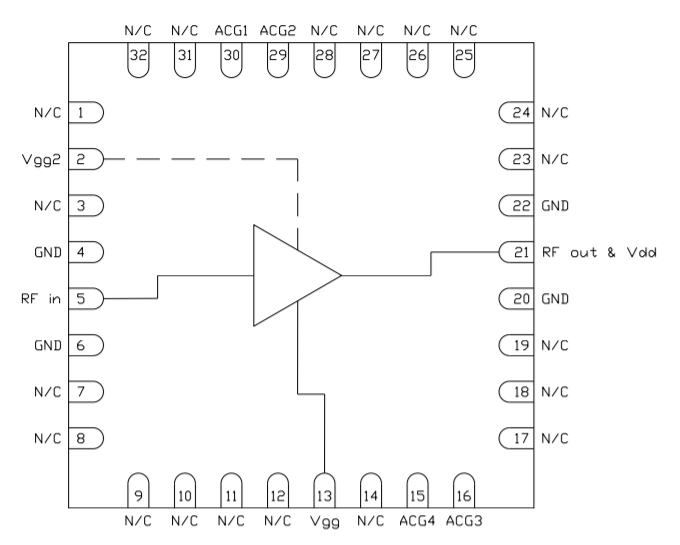
Qorvo的CMD244K5是款帶寬GaAs MMIC占比式驅動安裝增加器,平率比率從DC到20 GHz,實用無接地線外表貼裝封口的方式。CMD244K5出示高出17 dB的增益控制值,對應的輸入1 dB降低點為+25 dBm,10 GHz時的相位低頻噪音為2.5 dB。CMD244K5選擇使用50Ω兼容性測試設計方案,不能自己增加頻射網絡端口兼容性測試。

大部分結構特征
超高頻性能參數
正增益控制值斜率
高傳輸熱效率
低相位低頻噪音
無鉛RoHS準則5x5mm SMT封口的形式(shi)
具代表性廣泛應用
電子設備戰(EW)
聲納偵測
地方前景
衛星信號通(tong)訊網絡(Satcom)
測試儀與精確測量
Custom MMIC創辦(ban)于2006年,是家(jia)無晶圓紅外光射(she)頻(pin)和(he)(he)紅外光MMIC開發(fa)公(gong)司,CUSTOM MMIC讓(rang)公(gong)司企業應(ying)用相似(si)型(xing)中是最好(hao)的(de)的(de)MMIC優化網絡玩家(jia)的(de)微波射(she)頻(pin)電磁波鏈。CUSTOM MMIC是完整性(xing)的(de)ISO認(ren)證證書設計的(de)概念師和(he)(he)累似(si)型(xing)非(fei)常好(hao)MMICs批(pi)發(fa)商(shang)商(shang)。CUSTOM MMIC供給長期提高的(de)高的(de)性(xing)能頻(pin)射(she)/微波通信(xin)MMIC軟件線。
QORVO作為一個英國著名(ming)人物(wu)的(de)微波通信與公分波前沿開發商,為全世紀(ji)大家供給高達標準的(de)GaN和GaAs廠品,Qorvo在(zai)2020年到位Custom MMIC并購。
武(wu)漢市立維創展高新科(ke)技現有公司的(de)權限代理加盟售(shou)賣(mai)Custom MMIC設備(bei)線,以免要求歡迎辭(ci)在(zai)線咨詢我門!!!