制造業咨詢
公布(bu)時(shi)光:2024-12-04 17:07:06 打開網頁(ye):682
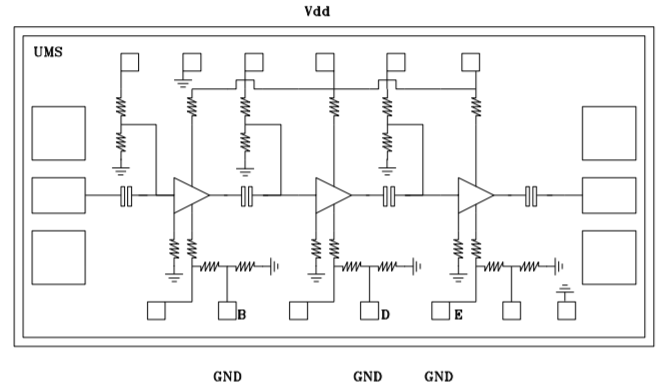
CHA2090-99F是款3級自偏置光纖寬帶單面低燥聲圖像功率放大器。
CHA2090-99F安(an)全使用細(xi)則(ze)的0.25μm柵(zha)極長(chang)寬比pHEMT生產的能(neng)力(li)的能(neng)力(li),不同板(ban)材上的孔、空氣質量橋和自動化束柵(zha)流星刻的能(neng)力(li)。
CHA2090-99F以IC芯(xin)片(pian)狀態展(zhan)示 。
其主要表現形式
聯通寬帶(dai)性能參數17-24GHz
2.0dB相位噪音
23dB收(shou)獲,±1dB增加收(shou)益(yi)平(ping)展(zhan)度
低整流基本功(gong)能耗損率,55mA
封裝類型長寬高:2.17 x 1.27 x 0.1mm
南京市立維創展自動化現(xian)有平臺軟件授權生產商(shang)UMS紅外光,專門針(zhen)對部件具體型號的UMS成品給(gei)予質量上乘的現(xian)貨黃金成品庫存盤點,熱烈歡迎在(zai)線咨詢。

| Reference | RF Bandwidth (GHz) | Gain | Gain Flatness | Noise Figure | P-1dB OUT | Bias | Bias | Case | |
| min | max | ||||||||
| CHA2090-99F | 17 | 24 | 23 | 1 | 2 | -10 | 55 | 4.5 | Die |