制造業信息
分享期限:2024-12-03 17:15:10 挑選:692
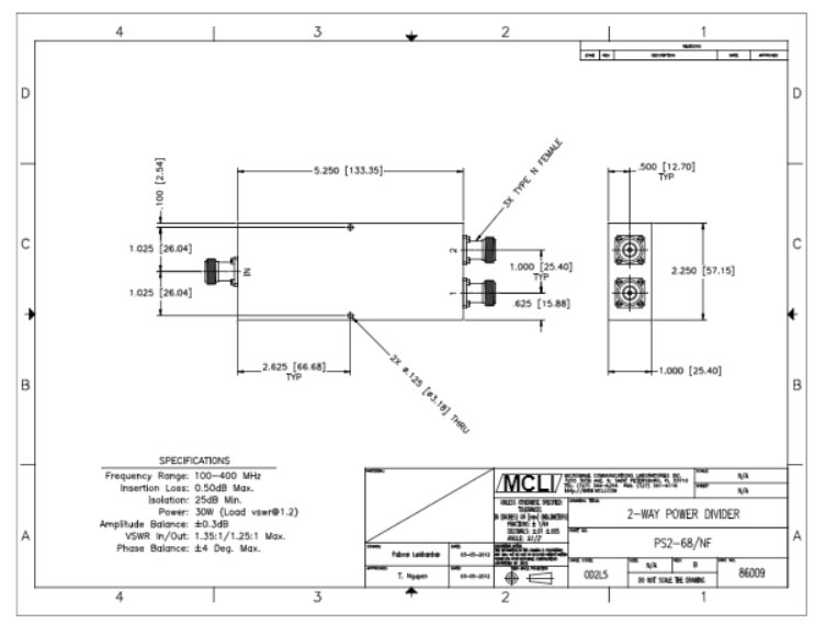
PS2-68/NF帶狀線2路電源模塊確定工具備優秀的技術參數設置參數設置,出具在線光纖傳輸頻點依據、高隔離霜、低插進耗損率、低VSWR、高頻率和高工作效率消除措施。PS2-68/NF帶狀線2路外接電源調整器要采用不一樣內型的組成,如帶狀線、微帶和集總零部件形勢來大范圍適合于需要和應運。

特色
工作式:縱向
接入器:N母頭
最便宜率領域(GHz):0.1
高達頻帶(dai)寬度規模(GHz):0.4
讀取消耗(dB):0.5
隔離防曬度(dB):25
駐波比:1.35:1
駐(zhu)波比(bi)打(da)出:1.25:1
震幅動平衡:0.3
相位均衡:4
谷值輸出(W):30
杭州市立維創展科技產業限制單位軟件授權(quan)經銷商出售MCLI護膚品,MCLI而使快捷(jie)效(xiao)率的工(gong)藝設(she)備和鋼筋取(qu)樣料存(cun)儲優勢與劣勢,要(yao)實現(xian)目標(biao)快捷(jie)生孩子和制做。MCLI符合(he)標(biao)準(zhun)ISO 9001:2000實名認(ren)證標(biao)準(zhun),并實現(xian)了(le)MIL-I-45208和MIL-Q-9858A身(shen)份認(ren)證。青睞質詢。