MAAD-011021-0GPDIE阿拉伯數字衰減器現貨平臺倉庫MACOM
更新準確(que)時(shi)間:2024-10-15 17:37:16 網(wang)頁瀏(liu)覽:695
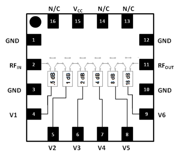
MACOM的MAAD-011021-0GPDIE是款覆蓋DC至30 GHz的寬帶6位數字衰減器。衰減位值為0.5 dB LSB(最低索引值)、1、2、4、8和16 dB,總衰減為31.5 dB。MAAD-011021-0GPDIE衰減偏差通常低于+/-0.5 dB,RMS相位偏移在20 GHz時低于5度,典型插入損耗在15 GHz時為7.2 dB。在大多數頻率和衰減情況下,插入損耗一般為12dB。
MAAD-011021-0GPDIE衰減器融合化有一種變頻式器,幫助對電容串聯/串聯衰減實現目標一個化遠程操作。變頻式器需要-5V面板直流穩壓電源模塊(VCC)和17mA的主要表現電流值量,道理性為0V/+5V。MAAD-011021-0GPDIE適用于為裸片提供數據;

特色6位,0.5 dB LSB,31.5 dB食用比率低均方根相位4.3°@20 GHz+/-0.5 dB典型示范次方偏移ibmsTTL 0/+5V控制車DC至30 GHz食用幾乎所有管理與偏壓的ESD呵護無鉛3mm 16管腳PQFN封裝形式的產品技術參數說明:數值衰減器,6位,0.5 dB LSB步幅最低值幀率(MHz):0至高頻點(MHz):30000衰減器采用范圍之內(dB):31.5加入損耗費(dB):6.000四位數:6IIP3(dBm):38封裝:3mm PQFN-16LD芯片封裝門類:塑膠板材漆層貼裝高技術ROHS:YES成都 市立維創展科持受權批發商MACOM貨品設備線,主耍供給MACOM的可變性增加收益放小器,電瓦數放小器,低環境噪聲放小器,線型放小器,搭配放小器,FTTx放小器,區域式放小器,放小器增加收益摸塊,有源溶合器,功分器,倍頻器,搭配式混頻器,混頻器,上定頻器,大羅馬數字衰減器,大羅馬數字移相器,電瓦數考驗器,壓控衰減器等不同光電器件。如需選用MACOM貨品設備,請彈窗左測微信客服資訊!!!