企業內容
披(pi)露耗(hao)時:2024-10-09 09:08:34 瀏覽記錄(lu):5522

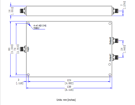
Electro-Photonics的EPD-2A1-SF是一款高性(xing)能的2路0°功率分配(pei)器,具有以下特點:
1. 緊奏型結構設計:小型的裝封,適當范圍異常的應用領域。 2. 率面積:包裹100至500MHz,適當網絡帶寬適用。 3. 耐熱性優勢: 同相額定功率裂變,事關數據信息相符性。 低讀取損失(較大 0.6 dB),確定信息效率。 高隔離度(最少20 dB),削減短信通道間擾亂。 保持良好的波幅均衡性(±0.2 dB)和相位均衡性(±3°)。 4. 高額定功率治理 本事: 順向熱效率:50W。 倒置公率:10W。 5. 接頭種類:SMA(F),專用且維持。 6. 攝氏度比率: 做溫度表:-35°C至+75°C。 非業務的溫度:-55°C至+100°C。 7. 外表:暗紅色車漆,存在專門外表。應用領域:
光電戰 預警雷達程序 自測和測量設配 EPD-2A1-SF其所優異的特性和緊湊型轎車的長度,至關適用必須要 高特性網絡信號配置的寬帶網應該用。尺寸:

ELECTRO-PHOTONICS存在25年的唯一被動微波射頻元(yuan)器件(jian)設計構思與(yu)產生相(xiang)關(guan)經驗,新品(pin)牌(pai)包函混和和定向委培耦合電(dian)路器、功分(fen)器、濾波器、測(ce)試(shi)測(ce)試(shi)板、隔離開器、橢圓(yuan)形器等新品(pin)牌(pai)。
廣州 市(shi)立維創展科(ke)枝十分有限單(dan)位代銷(xiao)商分銷(xiao)系統Electro-Photonics產品(pin)。如果須(xu)得Electro-Photonics微波加熱,歡迎詞點(dian)選(xuan)左側客戶服務中心鏈接自己!!!