的行業新聞咨詢
發布(bu)公告時光:2024-09-27 08:42:11 預覽:5398

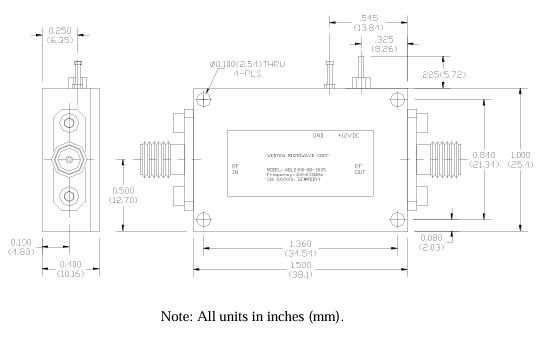
ABL2400-01-3025是由溫特(WENTEQ)公司生(sheng)產的(de)寬帶低噪聲放大(da)器,具有(you)以下特(te)點和電氣規格:
特點
寬帶網絡、低環境環境噪聲:實使用在從0.1 GHz到24.0 GHz的寬工作頻率使用范圍,提供了低環境環境噪聲功效。 低VSWR,無狀況穩固:在種種阻抗狀況下堅持穩固。 小尺寸圖、低人工成本:來設計緊奏型,金錢、實惠。 K型接觸器RF I/O:錄入讀取通過K型微波射頻接觸器。 單24v24v電源供電公司:操作一位直流24v電源24v24v電源就可以了的工作。 辦公熱度的條件:-40至+85°C,存貯熱度的條件:-55至+125°C。電氣規格
次數面積:0.1 GHz至24.0 GHz 標稱增益值:25.0 dB至34.0 dB(經典值30.0 dB)噪聲系數:
- 0.1-4.0 GHz:3.5 dB至5.5 dB - 4.0-20.0 GHz:2.5 dB至4.0 dB - 20.0-24.0 GHz:3.0 dB至4.5 dBP-1dB壓縮點:
- 0.1-19.0 GHz:20.0 dBm至23.0 dBm - 19.0-24.0 GHz:18.0 dBm至21.0 dBm 供大于求所在馬力 Psat:20.0 dBm至24.0 dBm 轉換IP3:23.0 dBm至30.0 dBm 收獲溝壑度:±1.5 dB至±2.0 dB 氣溫依據內收獲不同:±2.0 dB 反相丟開度:50.0 dB 復制粘貼VSWR:1.7:1至2.5:1 效果VSWR:1.7:1至2.5:1 鄰道漏泄比:-60.0 dBc 業務氣溫:-40.0 ℃至+85.0 ℃ 盈利溫度:-45.0 ℃至+125.0 ℃ 電流開關電源供電設備額定電壓:+12.0 V至+15.0 V 交流電交流電源需求感應電流:300.0 mA至350.0 mA(基本特征值250.0 mA) 尺碼:1.50x1.0x0.404英寸 ABL2400-01-3025變成器因寬次數范疇、低噪音污染能及優質的可靠性,應該用到許多頻射與微波網絡通訊機系統中的應該用,如網絡通訊、雷達探測和電子無線打敗等方向。武漢市立維創展社會是WENTEQ的供(gong)應商商,一(yi)般能提供(gong)WENTEQ商品(pin)有環狀器、要進(jin)行(xing)隔離器、阻抗手持終端等,商品(pin)原(yuan)廠出口,產品(pin)質量維持,價錢資源優勢(shi),迎接(jie)諮詢。