行業內資迅
公布期限(xian):2024-08-27 09:19:10 打開網頁(ye):6212
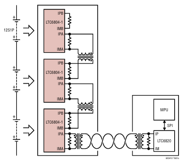
LTC6804是由ADI-LINEAR公司(si)開發的第(di)三代多(duo)節(jie)電(dian)池(chi)(chi)監控器芯片,專為高精(jing)度和高效率的電(dian)池(chi)(chi)管(guan)理系統設計。該芯片能夠(gou)監測多(duo)達(da)12個串聯電(dian)池(chi)(chi)的電(dian)壓,總測量誤差低于(yu)1.2mV,適(shi)用于(yu)0V至(zhi)5V的電(dian)池(chi)(chi)測量范圍,使其兼容(rong)大多(duo)數化學(xue)組分的電(dian)池(chi)(chi)。

LTC6804的主要特點包括:
1. 高快慢度測定:全部12節鋰電的額定電壓測定能否在290微秒內順利完成,一起支持系統較低的動態數采器傳輸率以明顯增強躁聲緩和。 2. 可堆疊系統架構:另一個LTC6804處理芯片就能夠串接安全使用,保持對長串高額定電壓蓄電池的的同時監視器。 3. isoSPI插口:默認設置的isoSPI插口支撐高速度、抗RF干撓的局域網絡通信,用到單根雙絕緣線可歷時一百米,享有低EMI脆弱度和輔射。 4. 精確性檢測的:1.2mV的大總檢測的差值,及16位增長累計(ΔΣ)型ADC,購置平率可代碼編程的三階噪音濾波器。 5. 多作用性:比如真實傷害電池板自由電荷動平衡機、內部自帶5V三相調壓器和5根通用性的I/O線,快速可用于溫或同一感應器器手機輸入,并可運行環境為I2C或SPI主控芯片器。 6. 低功耗測試:在睡眼的模式下,直流電壓使用量降底至4μA。 7. 封口:用于48引腳SSOP封口。型號:
| TUBE | TAPE AND REEL | PART MARKING* | PACKAGE DESCRIPTION | SPECIFIED TEMPERATURE RANGE |
| LTC6804IG-1#PBF | LTC6804IG-1#TRPBF | LTC6804G-1 | 48-Lead Plastic SSOP | -40℃ to 85℃ |
| LTC6804HG-1#PBF | LTC6804HG-1#TRPBF | LTC6804G-1 | 48-Lead Plastic SSOP | -40℃ to 125℃ |
| LTC6804IG-2#PBF | LTC6804IG-2#TRPBF | LTC6804G-2 | 48-Lead Plastic SSOP | -40℃ to 85℃ |
| LTC6804HG-2#PBF | LTC6804HG-2#TRPBF | LTC6804G-2 | 48-Lead Plastic SSOP | -40℃ to 125℃ |
河南市立維創展科技信息是ADI \ Linear 的地區地區代銷商商,以地區代銷商分銷模式存貨期貨ADI \ Linear為設備優越性,可帶來單日價格區間貼心服務,熱烈歡迎質詢。