領域手游資訊
發(fa)布新聞時刻:2024-08-19 08:55:33 閱(yue)讀:5937

頻率范圍:
LO 和 RF: 1 MHz 至 3400 MHz IF: 1 MHz 至 2000 MHz性能參數:
三階電壓值: +20.0 dBm 轉移消耗的資金: 6.0 dB LO控制器(標稱): +10.0 dBm 屏蔽度(LO到RF): 40.0 dB機械特性:
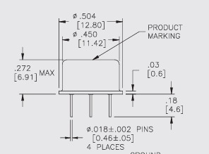
撤消不過敏 包裝盒: 超過85英寸,或準則表皮安裝使用混雜器環境參數:
存放環境溫度: -65°C 至 +125°C峰值輸入功率:
@ 25°C: +27 dBm @ 100°C: +23 dBm峰值輸入電流 @ 25°C: 50 mA DC

東莞 市立維創展科技公司是Teledyne防(fang)務光電的生產商商,提高Teledyne防務網上食品包函LDMOS、GaN、GaAs和InP。Teledyne防務電子設備產品設備線可以寬頻寬、窄帶、脈寬縮放器,概率1MHz~220GHz,工率mW~10kW,勝機校園推廣渠道具備Teledyne防務光電子定貨,喜歡了解和咨詢。