的行業最新資訊
更(geng)新時長(chang):2024-08-15 09:08:06 查看:782
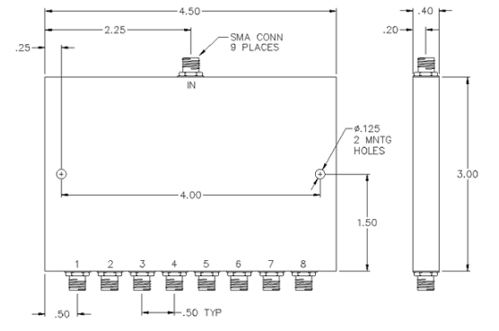
PULSAR功率分(fen)配器PS8-02-454/1S是一款高性能的8路SMA功分(fen)器,專為0.85至(zhi)1.7GHz的頻率范圍設(she)計。該設(she)備能夠將(jiang)輸入信號均(jun)勻(yun)分(fen)配到8個輸出端口,適用于多種無線通信和雷達系統。

主要特點:
頻率范疇:0.85-1.7 GHz 添加圖片耗費:更大0.8dB,確認訊號發送效應高,耗費低。 防護:最窄20dB,更有效降低各讀取網口直接的數據串擾。 波幅平衡性:最大的0.4dB,提高各模擬輸出網口的表現程度不對。 相位動態平衡:極限5°,保證 警報相位的不一性。 駐波比:非常大1.30:1,系統化優化走勢光反射,的提升系統化安全穩確定。 進入功效:最明顯30W,可用做于高功效應用軟件。 聯系器類別:SMA系統,大面積兼容各類設施設備。 裝載VSWR:額定的導入電率下相較于1.20:1,進幾步增加數據信息質理。 厚度:4.50" x 3.00" x 0.40"
廣州 市立維創展科學技術品牌授權代理費市場銷售PULSAR徽波(bo)食品,并展(zhan)示 售后維(wei)修支(zhi)技服務性(xing),邀請聯系(xi)。