該行業新聞咨詢
正(zheng)式(shi)發布周期:2024-08-07 08:58:58 看:780

EPD-4L-SF功分器是由ELECTRO-PHOTONICS公(gong)司生產的一款(kuan)高性(xing)能、寬頻帶的4路(lu)功率分配器/組合器。該產品(pin)的主要特點和規格如下:
主要特點
方法性: 0° 工作頻率依據: 4.0 GHz到8 GHz 最高輸入輸出: 30W 高性: 能提供低讀取材料耗費、高要進行隔離度、低駐波比(VSWR)和優異的小幅度及相位均衡。 狹窄大小: 設計的概念狹窄,容易在有限制的范圍內安裝程序和應用。性能規格
| PARAMETER | SPECIFICATION |
| FREQUENCY RANGE | 4.0-8 GHz |
| EXCESS INSERTIONLOSS* | 0.8dB |
| ISOLATION | 18 dB |
| VSWR | 1.3 |
| AMPLITUDE BALANCE | ±0.3 dB |
| PHASE BALANCE | ±3° |
| POWER HANDLING | Forward:30W |
| Reverse:1W |
應用領域
機械規格
| PARAMETER | SPECIFICATION |
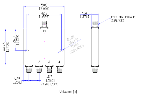
| MATING INTERFACE | SMA(F) |
| OPERATINGTEMP | -55 TO+85℃ |
| NON-OPERATINGTEMP | -55 TO+100 ℃ |
| MATERIAL/FINISH | Aluminum with black epoxy |
| resin paint |
尺寸圖:

ELECTRO-PHOTONICS有了(le)25年的壓制微波射頻pcb板(ban)裝(zhuang)修設計(ji)與生(sheng)產制造技(ji)術 ,商品涉及到混(hun)后(hou)和定向就(jiu)業交(jiao)叉耦(ou)合器(qi)、功(gong)分器(qi)、濾波器(qi)、測試圖片(pian)板(ban)、隔(ge)開(kai)器(qi)、環型器(qi)等商品。
珠海(hai)市立維創展科技(ji)非(fei)常(chang)有限(xian)集團(tuan)非(fei)常(chang)有限(xian)集團(tuan)一級代(dai)理(li)代(dai)銷(xiao)Electro-Photonics車輛(liang)。要是是需要Electro-Photonics徽波,青睞(lai)彈窗右面售后(hou)找(zhao)話題我們都!!!