職業咨訊
披露時段:2024-08-05 08:43:30 挑(tiao)選:733

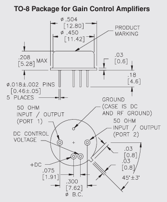
AGC525 TO-8增益控制放大器是由Teledyne防務智能電子生產(chan)的(de)一款高(gao)性能產(chan)品。以下是該產(chan)品的(de)詳細介紹:
基本參數
規格型號:AGC525 裝封:TO-8標準單位尺寸裝封,使適用增益值控制變成器 增加收益:非常典型數值25.5dB,最低數值24.0dB至24.5dB 增益值平滑度:極限±0.8dB 低頻噪音公式:最大的5.0dB,表面優異 駐波比(SWR):錄入內容輸出串口均需小于2.0:1控制特性
掌握使用范圍:0到+5V AGC時間的范圍:較小30dB,表現形式出寬時間的范圍的控住效率 為了響應用時:全AGC下乘以10微秒,切換桌面極限效率高電氣特性
| Parameter | Typical | 0 to 50℃ | 55 to+85℃ |
| Frequency (Min.) | 10-600 MHz | 10-500 MHz | 10-500 MHz |
| Gain (Min.) Vo=0 | 25.5 dB | 24.5 dB | 24.0 dB |
| Gain Flatness(Max.) | ±0.5 dB | ±0.7 dB | ±0.8 dB |
| AGC Range(Min. | 30 dB | 26 dB | |
| Noise Figure (Max.) | 5.0 dB | 6.0 dB | 6.5 dB |
| SWR (Max.) Input/Output | <1.6:1 | 2.0:1 | 2.0:1 |
| Power Output (Min.) @1dB comp | +11.0 dBm | +10.0 dBm | +9.5 dBm |
| Response Time Full AGC | <10 μsec | ||
| DC Current(Max.) Bias | 45 mA | 48 mA | 51 mA |
| DC Current(Max.) Vo | 0 to 10 mA |
河南市立維創展創新科技是Teledyne防務電商的經售商,給予Teledyne防務光學企業產品區域LDMOS、GaN、GaAs和InP。Teledyne防務電商產品的線蘋果支持寬頻寬、窄帶、激光脈沖拖動器,聲音頻率1MHz~220GHz,額定功率mW~10kW,優越的渠道供給Teledyne防務光電子備貨,感謝了解和咨詢。