互聯網行業新聞
發布了精力(li):2024-07-23 08:34:15 挑選:780
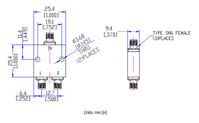
EPD-2L-SF是ELECTRO-PHOTONICS公司生產的(de)一款寬帶(dai)2路(lu)(0°)功(gong)率(lv)分配器(qi)/合路(lu)器(qi),適(shi)用于4.0至8.0 GHz頻(pin)段,在小型(xing)封(feng)裝中提供(gong)卓(zhuo)越的(de)性能。該功(gong)率(lv)分配器(qi)的(de)突出特點包括(kuo)低插入(ru)損耗、小型(xing)尺寸以及高隔離(li)度,適(shi)用于電(dian)子戰、雷達、測(ce)試和測(ce)量等領(ling)域。

特點及應用
- 4到8GHz幾率領域內的同相熱效率分派 - 緊身制定 - 低復制到耗用 - 采采用電子無線戰、統計、測試軟件和側量電氣特性
的頻率空間: 4.0 – 8 GHz 放損耗率: 極限0.5 dB (Excess IL = Common Port to Output Port IL ) - 3dB) 丟開度: 最低20 dB 駐波比 (VSWR): 1.25 大幅度平衡性: ± 0.2 dB 相位平穩: ± 2° 輸出處理性能: 同向30 W,逆向1 W機械特性
相連接端口: SMA (F) 崗位攝氏度: -55°C 至 +85°C 非辦公濕度: -55°C 至 +100°C 用料/表層: 全鋁結構設計并涂有黃色氯化橡膠漆樹脂膠漆
ELECTRO-PHOTONICS持有25年的主動微波射頻電氣元件設計(ji)制作與(yu)制造出經(jing)驗值,商品(pin)包(bao)涵(han)比調和定向分(fen)配合體器(qi)、功(gong)分(fen)器(qi)、濾波器(qi)、檢測板、隔開器(qi)、橢圓形(xing)器(qi)等(deng)商品(pin)。
山東市立維創展創新科技受限(xian)我司(si)代里包銷Electro-Photonics品牌。若是是需要Electro-Photonics微波通信,祝賀點(dian)選(xuan)一(yi)側克服連系小編!!!