行業領域資訊、短視頻軟件
正(zheng)式發布(bu)時段(duan):2024-07-15 08:59:06 搜索:6012
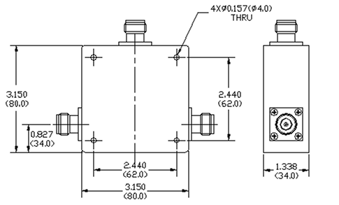
在無線通信和射頻工程領域,選擇合適的組件對于確保系統的高效運行至關重要。WENTEQ F2519-0280-29-N10大功率同軸射頻環行器正是這樣一款專(zhuan)為滿足高要求應(ying)用(yong)(yong)而設計(ji)的先進設備。本文將詳細介紹其關鍵特(te)性、電氣(qi)規格及其在實際應(ying)用(yong)(yong)中(zhong)的優勢。

| Part No | Freq Range MHz | Insertion Loss,dB | Reverse Isolation dB | VSWR | Forward Power Watts | Temp Range,℃ |
| F2519-0262-29-N10 | 225~300 | 0.6 Max | 18 | 1.35 | 250 | 0~+85 |
| F2519-0280-29-N10 | 240-320 | 0.5 Max | 18 | 1.35 | 250 | 0~+85 |
| F2519-0280-29-S01 | 240~320 | 0.5 Max | 20 | 1.25 | 50 | -40~+85 |
主要特點包括:
寬頻速率度速率:支持系統225-300 MHz和240-320 MHz等各個頻段。 接入器選項卡:提高N型或SMA母頭接入器,以便于ibms。 低復制到耗用:最高不以上0.6 dB,提高認識電磁波高效率傳輸數據。 高逆向分隔:通常18 dB,大幅提升整體功效。 高熱效率正確處理:鼓勵超過250 Watts,符合于大熱效率情境。 安穩皮實:約990克,為了確保系統安穩性。電氣規格:
此款環行器是rf射頻項目師和遠程通信設備專家團隊的期望使用,適合于幾種高耍求氛圍。
武漢市立維創展科學技術是WENTEQ的分(fen)銷商(shang)商(shang),主(zhu)要(yao)的帶(dai)來(lai)了WENTEQ品牌包含(han)圓形器、要(yao)進行隔(ge)離器、環境下(xia)手持終端(duan)等,品牌正品國外,產品品質保證質量,單價長處(chu),的歡(huan)迎諮詢。