互聯網行業手游資訊
頒布用(yong)時:2024-06-12 09:07:03 瀏覽訪(fang)問:837
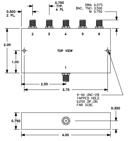
Synergy的DEK-701S是一款高性能的5路功率分配器,專為需要精確功率分配的應用而設計。該設備的關鍵特性包括寬頻帶、低損耗以及緊密控制的相位/幅度不平衡。其頻率范圍覆蓋了從0.05至30MHz,能夠滿足多種頻段的需求。

在插入損耗方面,DEK-701S在不同頻段下的表現有所不同,從0.05至0.5MHz的頻段內,插入損耗的典型值為0.3dB,而在15至30MHz的頻段內,這一數值上升至0.6dB。隔離(li)度(du)方(fang)面,設備在不同頻(pin)段下(xia)也提供了具體的(de)典型值(zhi)和最小值(zhi),確(que)保了信號(hao)的(de)清(qing)晰分離(li)。

相位不平衡量最大為4度,幅度不平衡量最大為0.3dB,這些參數保(bao)證了功率(lv)分(fen)配的(de)穩(wen)定性和精(jing)確度。輸出阻抗為(wei)50Ohms,最大輸入功率(lv)為(wei)1瓦特,這些規格使得DEK-701S能(neng)夠適應(ying)多種(zhong)(zhong)功率(lv)需求。操作溫(wen)度范圍從(cong)-40至+85°C,這意味著DEK-701S能(neng)夠在(zai)極(ji)端的(de)溫(wen)度條件下穩(wen)定工(gong)作,適合在(zai)各(ge)種(zhong)(zhong)環境中的(de)應(ying)用。連(lian)接器類型為(wei)SMA母頭,其中一個是輸入端口,其余四個為(wei)輸出端口,方便與各(ge)種(zhong)(zhong)設備連(lian)接。
規格參數:
| SPECIFICATIONS (Rev.B 08/30/06) | |||
| Frequency | 0.05-30 MHz | ||
| Insertion Loss (dB)* | Freq (MHz) | Typ. | Max |
| 0.05-0.5 | 0.5 | 0.9 | |
| 0.5-15 | 0.3 | 0.7 | |
| 15-30 | 0.6 | 1 | |
| lsolation (dB) | |||
| Freq (MHz) | Typ. | Min | |
| 0.05-0.5 | 25 | 20 | |
| 0.5-15 | 30 | 25 | |
| 15-30 | 25 | 20 | |
| Phase Unbalance(Deg.) | 4°(Max.) | ||
| Amplitude Unbalance (dB) | 0.3 (Max.) | ||
| Output Impedance | 50 Ohms (Nom.) | ||
| Input Power | 1 Watt (Max.) | ||
| Operating Temperature Range | 40 to +85°C | ||
| *In excess of the 7 dB theoretical split loss | |||
東莞市市立維創展科技產業是Synergy的經售商,最主要展示Synergy紅外光壓控諧(xie)振器(qi)、晶胞諧(xie)振器(qi)、鎖(suo)相諧(xie)振器(qi)、鎖(suo)相環概率制作(zuo)而成器(qi)、混頻器(qi)等產品,產品隸(li)屬于荷蘭中部的進行(xing)管道,最快相應國內(nei) 加盟商的需求(qiu)量(liang)。邀請服(fu)務(wu)咨詢。