制造業手游資訊
推(tui)出時間:2024-06-06 08:51:27 瀏覽訪問:779

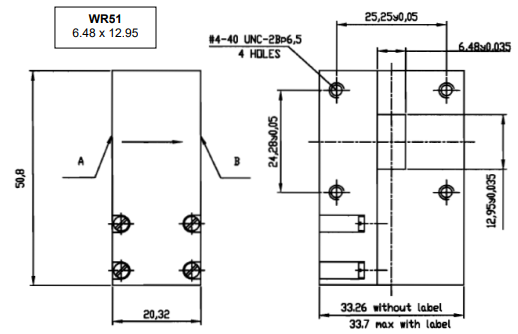
RADI-20-22-WR51-5WR波導隔離器是RADITEK一款高精度的(de)射頻(pin)設(she)備,屬于WR51波導(dao)系列,有15-17 GHz、17.5-20.5 GHz、17.7-22.2 GHz等多個頻(pin)率(lv)范圍(wei)。該(gai)隔(ge)離器(qi)具(ju)有低插入(ru)損(sun)耗(最大0.3 dB至0.4 dB)、高隔(ge)離度(最小(xiao)18 dB至20 dB)和(he)良好的(de)電壓(ya)駐波比(最大1.25至1.30),確保了(le)高效的(de)信號傳(chuan)輸和(he)隔(ge)離性能。它能處(chu)理(li)最大10W的(de)正向(xiang)功率(lv)和(he)承受(shou)0.5W的(de)反向(xiang)功率(lv)。物理(li)規格(ge)包(bao)括詳(xiang)細的(de)尺寸信息和(he)鋁(lv)材質(zhi),表面經過(guo)化學膜處(chu)理(li),增強了(le)耐腐蝕(shi)性和(he)耐用性。該(gai)設(she)備能在(zai)-40°C至+85°C的(de)溫(wen)度范圍(wei)內工(gong)作。
| Frequency | 15-17 | 17.5-20.5 | 17.7-22.2 | 20-22 | 20.2-21.2 | 20.2-21.2 | GHz |
| Insertion loss | 0.3 | 0.4/0.3 | 0.3 | 0.4 | 0.30 | 0.30 | dB max |
| lsolation | 20 | 20/18 | 18 | 18 | 20 | 20 | dB min |
| VSWR | 1.25 | 1.25/1.30 | 1.30 | 1.25 | 1.25 | 1.25 | :1 max |
| Waveguide | WR-51 | WR-51 | WR-51 | WR-51 | WR-51 | WR-51 | |
| Flange | UBR-140 | UBR-140 | UBR-140 | UBR-140 | UBR-140 | UBR-140 | |
| Materia | Aluminum | Aluminum | Aluminum | Aluminum | Aluminum | Aluminum | |
| Finish | Chemical Film | Chemical Film | Chemical Film | Chemical Film | Chemical Film | Chemical Film | |
| Power Forward | 1 | 2 | 1 | 10 | 1 | 1 | Watts |
| Power Load | 1 | 0.5 | 1 | 5 | 0.5 | 1 | Watts |
| Operating Temp | 40 to +85 | -30 to +70/ +15 to +35 | -30to +70 | 30 to +70 | 30 to +65 | 30 to +65 | ℃ |
佛山市立維創展科技欧美亚洲一区-欧美激情一区-欧洲一区二区-欧美激情一区二区品牌授權代里RADITEK紅外(wai)光要進行隔離器和(he)橢圓形器產品設備(bei)的(de),位(wei)置機型(xing)常備(bei)期貨。產品設備(bei)的(de)原版國外(wai),重量確保,喜歡咨詢中(zhong)心。