17500-4015S SSBP多同軸Micro-D電覽插孔長隔絕子SOUTHWEST
分享時間段(duan):2024-06-04 08:56:02 查看:895
型號17500-4015S SSBP多同軸Micro-D電纜插頭長絕緣子是由SOUTHWEST東南紅外光制造的(de)一款(kuan)高(gao)性(xing)能連接(jie)器(qi)組(zu)件。該(gai)插頭專為Micro-D連接(jie)器(qi)系統設(she)計,適用于(yu)高(gao)密度、多通(tong)道(dao)的(de)應用場景,尤其是在(zai)對頻率、帶寬和(he)信(xin)號損耗有嚴格要求的(de)通(tong)信(xin)環境中表現(xian)出色(se)。

相關的材質和外面凈化正確整理幾個方面,該充電充電插頭的護殼所主要主要通過錳鋼鋼6061相關的材質,并,并依據ASTM B221細則確定生產加工,外面所經無鈦電極鎳鍍后凈化正確整理,契合ASTM
B733-90細則,以延長耐被灼傷性和耐穿性。絕緣帶帶子所主要主要通過ULTEM 1000相關的材質,契合ASTM
D5205細則,極具不錯的電力絕緣帶帶機械性和耐高溫機械性。選擇夾所主要主要通過BeCu耐熱合金鋼(UNS-C17200),,并依據ASTM
B194細則手工制造,保障充電充電插頭與電源插座的牢固鏈接。添充氧化物為環氧樹酯樹酯,適用于保證里面的結構類型和延長總體機械性。按裝設備所主要主要通過不銹鋼圓管相關的材質,契合SAE-AMS-QQ-S-763細則,外面確定鈍化凈化正確整理,契合ASTM
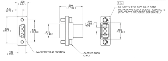
A967細則,以提高抗被灼傷力量。 該插孔的優缺點還有5個同軸插孔,專為SSBP(Shielded Single Bayonet
Plug)規劃,其他SSBP和衛星移動信號觸頭都要可進到這一領域和可移除的,為了簡單定期檢查和撤換,適用標淮規范M81969/39-01進到這一領域/撥掉器具如要基本操作。電家用插座觸頭與MIL-C-39029/64標淮規范的衛星移動信號電家用插座觸頭兼容,為了確保了更好的相互交換性和性能。外形尺寸和多角度組織各自為屏幕外形尺寸和度數,括號內的外形尺寸以毫米(mm)為組織,簡單訪客選定 不一樣使用需求參與選定 和安裝程序。

武漢市立維創展社會賦予SOUTHWEST中南微波射(she)頻大的部分材質出(chu)具現(xian)貨黃金物品(pin),并授權委托出(chu)具技術工藝大力支持與售(shou)服功能(neng)。
淘寶手機端介紹SOUTHWEST西南方紅外光請鼠標單擊://www.gyzhkj.com/brand/7.html